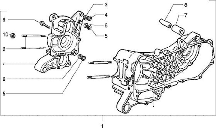
Carter moteur
Piaggio Sfera 125 (1995, ZAPM01000)
Trier