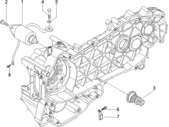
Démarreur
Piaggio Fly 125 (2004, ZAPM42100)
Trier