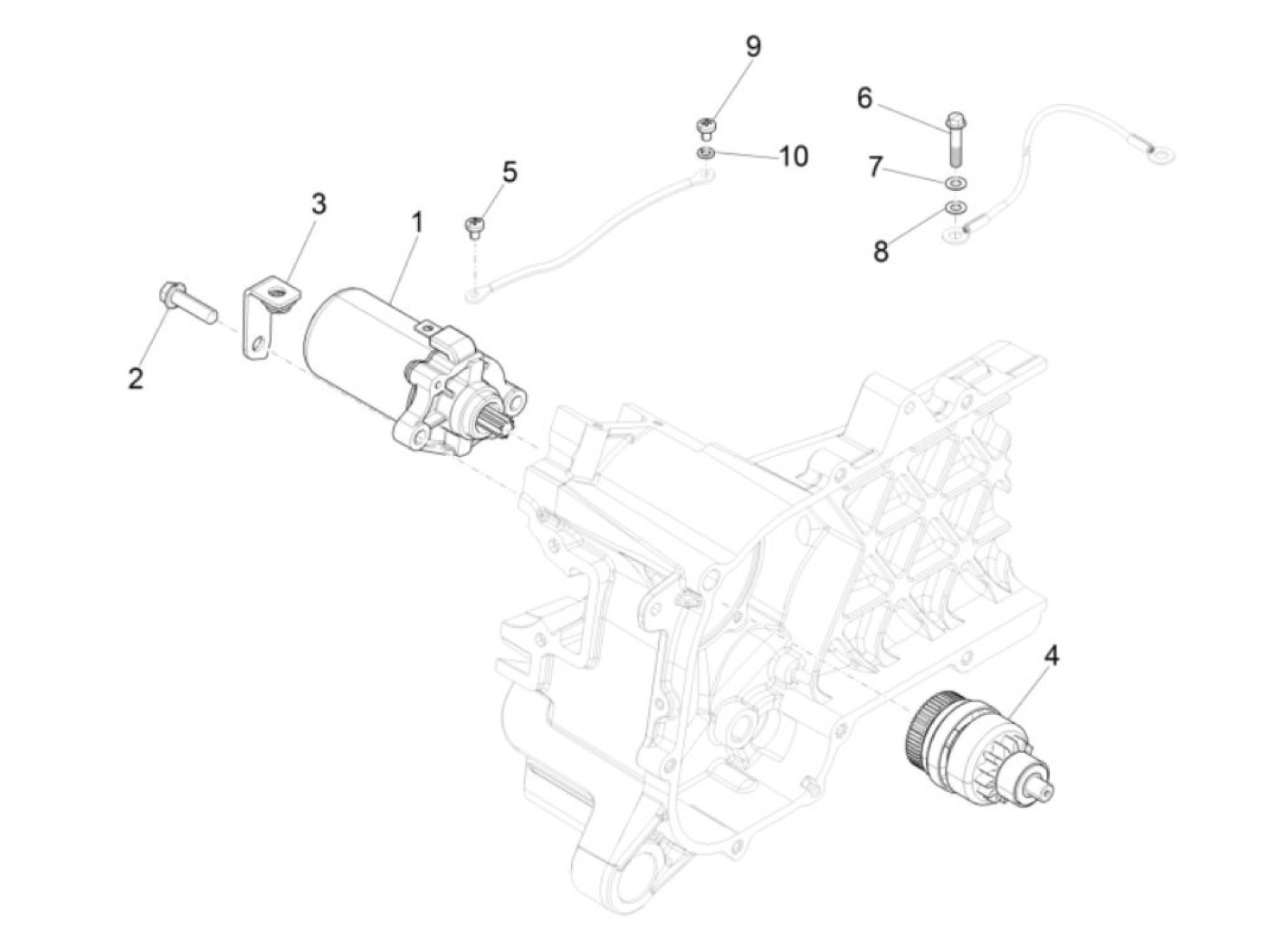
Démarreur
Vespa Sprint 50 IGET (4-temps, 2021, ZAPCD0201) 25km/h
Trier