très bon
4.7 / 5
Expédition aujourd`hui pour toute commande en 7 h 44 min
Port gratuit à partir de 99€ (DE) Grande satisfaction des clients
Contact |Protection des données |CGV & Infos clients |Mentions légales
Expédition aujourd`hui pour toute commande en 7 h 44 min
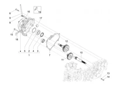
Vespa Primavera 125 (2017, ZAPM81101) | Eclatés Vespa Primavera 125 (2017, ZAPM81101) | Eclatés
Blog DE  |  €
Mon véhicule
Mot de passe oublié ?
Créer un nouveau compte client
0
  • Tous les
    • Moteur
      Tous éteints Moteur
      • Allumage
      • Aspiration & membrane
      • Boîtes de vitesses
      • Carburateur
      • Cylindre
      • Démarreur
      • Embrayage
      • Entraînement
      • Filtre à air
      • Joints d'étanchéité
      • Moteur & boîtier
      • Moteurs
      • Pot d'échappement
      • Refroidissement
      • Révision
      • Système d'injection
      • Vilebrequin
      • Vis & petites pièces
    • Installation électrique
      Tous éteints Installation électrique
      • Allumage & alternateur
      • Bougies d'allumage
      • Câble
      • Démarreur
      • Éclairage
      • Fiche
      • Instruments
      • Interrupteur
      • Piles
      • Régulateur, redresseur
      • Sources lumineuses
      • Vis & petites pièces
    • Cadre & pièces rapportées
      Tous éteints Cadre & pièces rapportées
      • Amortisseur de chocs
      • Béquille principale & latérale
      • Ecritures
      • Fourches
      • Palier de direction
      • Pièces d'habillage
      • Selles
      • Système de carburant
      • Vis & petites pièces
    • Guidons & armatures
      Tous éteints Guidons & armatures
      • Frein & embrayage
      • Guidon & pièces d'habillage
      • Instruments
      • Interrupteur
      • Miroir
      • Poignées
      • Poignées de commande de gaz
      • Vis & petites pièces
    • Câbles Bowden
      Tous éteints Câbles Bowden
      • Arbres de tachymètre
      • Conduites de frein
      • Éléments de commande
      • Entraînements tachymétriques
      • Mamelons de serrage & vis de réglage
      • Palans à câble & kits
    • Roues
      Tous éteints Roues
      • Freins
      • Jantes
      • Pneus
      • Roues
      • Tuyaux
      • Vannes & petites pièces
    • Service
      Tous éteints Service
      • Courroies
      • Filtre
      • Huiles
      • Outils
      • Sets
    • Pétrole & chimie
      Tous éteints Pétrole & chimie
      • Adhésifs
      • Fournitures d'atelier
      • Graisses & lubrifiants
      • Huiles
      • Produit d'étanchéité
      • Produits d'entretien & nettoyants
      • Substances de service
      • Vernis & peintures
    • Accessoires
      Tous éteints Accessoires
      • Accessoires spéciaux
      • Crash bars
      • Équipement d'atelier
      • Kits d'étranglement & limiteurs de vitesse
      • Manuels et plus
      • Marchandise
      • Pare-vent
      • Porte bagages
      • Protection contre le vol
      • Sacs
      • Supports de téléphone portable & accessoires
      • Top case
    • Casques & Vêtements
      Tous éteints Casques & Vêtements
      • Accessoires
      • Casques
      • Gants
      • Lunettes & visières
      • T-Shirt & Hemden
      • Vestes & pantalons
    • Bons d'achat
    Astuce du jour
    Bidon 2l -HÜNERSDORFF- noir - (pas de possibilité de visser un bec verseur)
    Hünersdorff
    Bidon 2l -HÜNERSDORFF- noir - (pas de possibilité de visser un bec verseur)
    9,90 €*
  • Vespa Classique
    • Moteur
      Tous éteints Moteur
      • Allumage
      • Aspiration & membrane
      • Boîte de vitesses
      • Carburateur
      • Cylindre
      • Démarreur
      • Embrayage
      • Entraînement
      • Filtre à air
      • Joints d'étanchéité
      • Kit de révision
      • Moteur & boîtier
      • Moteurs
      • Pot d'échappement
      • Refroidissement
      • Vilebrequin
      • Vis & petites pièces
    • Installation électrique
      Tous éteints Installation électrique
      • Allumage & alternateur
      • Bougies d'allumage
      • Câble
      • Démarreur
      • Éclairage
      • Fiche
      • Instruments
      • Interrupteur
      • Piles
      • Régulateur, redresseur
      • Sources lumineuses
      • Vis & petites pièces
    • Châssis
      Tous éteints Châssis
      • Amortisseur de chocs
      • Bancs
      • Béquille principale & latérale
      • Ecritures
      • Fourchettes
      • Palier de direction
      • Pièces châssis
      • Système de carburant
      • Vis & petites pièces
    • Guidon
      Tous éteints Guidon
      • Frein & embrayage
      • Guidon & pièces d'habillage
      • Instruments
      • Interrupteur
      • Miroir
      • Poignées
      • Poignées de commande de gaz
      • Vis & petites pièces
    • Câbles Bowden
      Tous éteints Câbles Bowden
      • Arbres de tachymètre
      • Conduites de frein
      • Éléments de commande
      • Entraînements tachymétriques
      • Mamelons de serrage & vis de réglage
      • Palans à câble & kits
    • Roues
      Tous éteints Roues
      • Freins
      • Jantes
      • Pneus
      • Roues
      • Tuyaux
      • Vannes & petites pièces
    • Service
      Tous éteints Service
      • Filtre
      • Huiles
      • Outils
      • Sets
    • Huile et chimie
      Tous éteints Huile et chimie
      • Adhésifs
      • Fournitures d'atelier
      • Graisses & lubrifiants
      • Huiles
      • Produit d'étanchéité
      • Produits d'entretien & nettoyants
      • Substances de service
      • Vernis & peintures
    • Accessoires
      Tous éteints Accessoires
      • Accessoires spéciaux
      • Arceau de sécurité
      • Equipement d'atelier
      • Littérature
      • Marchandise
      • Pare-vent
      • Porte-bagages
      • Sacs
      • Supports de téléphone portable & accessoires
      • TopCase
    • Casques & Vêtements
      Tous éteints Casques & Vêtements
      • Accessoires
      • Casques
      • Gants
      • Lunettes & visières
      • T-shirt & chemises
      • Vestes & pantalons
    Astuce du jour
    Jante -BGM Pro Superstrong tubeless 2.10-10 pouces en aluminium- Vespa V50, 50N, Special, PV, ET3, PK50-125 (S/XL/XL2), PX, T5, Sprint, Rally, GT/GTR, LML Star, Deluxe, Stella - noir brillant
    Nouveau
    Top
    BGM PRO
    Jante -BGM Pro Superstrong tubeless 2.10-10 pouces en aluminium- Vespa V50, 50N, Special, PV, ET3, PK50-125 (S/XL/XL2), PX, T5, Sprint, Rally, GT/GTR, LML Star, Deluxe, Stella - noir brillant
    89,00 €*
  • Vespa Moderne
    • Moteur
      Tous éteints Moteur
      • Allumage
      • Aspiration & membrane
      • Boîte de vitesses
      • Carburateur
      • Cylindre
      • Démarreur
      • Embrayage
      • Entraînement
      • Filtre à air
      • Joints d'étanchéité
      • Kit de révision
      • Moteur & boîtier
      • Moteurs
      • Pot d'échappement
      • Refroidissement
      • Système d'injection
      • Vilebrequin
      • Vis & petites pièces
    • Installation électrique
      Tous éteints Installation électrique
      • Allumage & alternateur
      • Bougies d'allumage
      • Câble
      • Démarreur
      • Éclairage
      • Fiche
      • Instruments
      • Interrupteur
      • Piles
      • Régulateur, redresseur
      • Sources lumineuses
      • Vis & petites pièces
    • Cadre & pièces rapportées
      Tous éteints Cadre & pièces rapportées
      • Amortisseur de chocs
      • Bancs
      • Béquille principale & latérale
      • Ecritures
      • Fourchettes
      • Palier de direction
      • Pièces d'habillage
      • Système de carburant
      • Vis & petites pièces
    • Guidons & armatures
      Tous éteints Guidons & armatures
      • Frein & embrayage
      • Guidon & pièces d'habillage
      • Instruments
      • Interrupteur
      • Miroir
      • Poignées
      • Poignées de commande de gaz
      • Vis & petites pièces
    • Câbles Bowden
      Tous éteints Câbles Bowden
      • Arbres de tachymètre
      • Conduites de frein
      • Éléments de commande
      • Entraînements tachymétriques
      • Mamelons de serrage & vis de réglage
      • Palans à câble & kits
    • Roues
      Tous éteints Roues
      • Freins
      • Jantes
      • Pneus
      • Roues
      • Tuyaux
      • Vannes & petites pièces
    • Service
      Tous éteints Service
      • Courroie trapézoïdale
      • Filtre
      • Huiles
      • Nettoyant
      • Outils
      • Sets
    • Pétrole & chimie
      Tous éteints Pétrole & chimie
      • Adhésifs
      • Fournitures d'atelier
      • Graisses & lubrifiants
      • Huiles
      • Produit d'étanchéité
      • Produits d'entretien & nettoyants
      • Substances de service
      • Vernis & peintures
    • Accessoires
      Tous éteints Accessoires
      • Accessoires spéciaux
      • Arceau de sécurité
      • Equipement d'atelier
      • Littérature
      • Marchandise
      • Pare-vent
      • Porte-bagages
      • Protection contre le vol
      • Sacs
      • Supports de téléphone portable & accessoires
      • TopCase
    • Casques & Vêtements
      Tous éteints Casques & Vêtements
      • Accessoires
      • Casques
      • Gants
      • Lunettes & visières
      • T-shirt & chemises
      • Vestes & pantalons
    Astuce du jour
    Système d?èchappement- ARROW- Urban - Dark Aluminium avec embout en carbone - Vespa GTS 310
    Arrow
    Système d?èchappement- ARROW- Urban - Dark Aluminium avec embout en carbone - Vespa GTS 310
    970,00 €*
  • Cyclomoteur Classique
    • Moteur
      Tous éteints Moteur
      • Allumage
      • Aspiration & membrane
      • Boîte de vitesses
      • Carburateur
      • Cylindre
      • Démarreur
      • Embrayage
      • Entraînement
      • Filtre à air
      • Joints d'étanchéité
      • Kit de révision
      • Moteur & boîtier
      • Pot d'échappement
      • Refroidissement
      • Vilebrequin
      • Vis & petites pièces
    • Installation électrique
      Tous éteints Installation électrique
      • Allumage & alternateur
      • Bougies d'allumage
      • Câble
      • Éclairage
      • Fiche
      • Instruments
      • Interrupteur
      • Piles
      • Régulateur, redresseur
      • Sources lumineuses
      • Vis & petites pièces
    • Cadre & pièces rapportées
      Tous éteints Cadre & pièces rapportées
      • Amortisseur de chocs
      • Bancs
      • Béquille principale & latérale
      • Ecritures
      • Fourchettes
      • Palier de direction
      • Pièces d'habillage
      • Système de carburant
      • Vis & petites pièces
    • Guidons & armatures
      Tous éteints Guidons & armatures
      • Frein & embrayage
      • Guidon & pièces d'habillage
      • Instruments
      • Interrupteur
      • Miroir
      • Poignées
      • Poignées de commande de gaz
      • Vis & petites pièces
    • Câbles Bowden
      Tous éteints Câbles Bowden
      • Arbres de tachymètre
      • Éléments de commande
      • Entraînements tachymétriques
      • Mamelons de serrage & vis de réglage
      • Palans à câble & kits
    • Roues
      Tous éteints Roues
      • Freins
      • Jantes
      • Pneus
      • Roues
      • Tuyaux
      • Vannes & petites pièces
    • Service
      Tous éteints Service
      • Filtre
      • Huiles
      • Outils
    • Pétrole & chimie
      Tous éteints Pétrole & chimie
      • Adhésifs
      • Fournitures d'atelier
      • Graisses & lubrifiants
      • Huiles
      • Produits d'entretien & nettoyants
      • Produits d'étanchéité
      • Substances de service
      • Vernis & peintures
    • Accessoires
      Tous éteints Accessoires
      • Accessoires spéciaux
      • Equipement d'atelier
      • Littérature
      • Marchandise
      • Porte-bagages
      • Protection contre le vol
      • Sacs
    • Casques & Vêtements
      Tous éteints Casques & Vêtements
      • Accessoires
      • Casques
      • Gants
      • T-shirt & chemises
    Astuce du jour
    Repose-pieds arrière -MOTO NOSTRA- Piaggio Ciao -Chrome
    Moto Nostra
    Repose-pieds arrière -MOTO NOSTRA- Piaggio Ciao -Chrome
    79,00 €*
  • Lambretta
    • Moteur
      Tous éteints Moteur
      • Allumage
      • Aspiration & membrane
      • Boîte de vitesses
      • Carburateur
      • Cylindre
      • Embrayage
      • Entraînement
      • Filtre à air
      • Joints d'étanchéité
      • Kickstarter
      • Moteur & boîtier
      • Pot d'échappement
      • Refroidissement
      • Sets de révision
      • Vilebrequin
      • Vis & petites pièces
    • Installation électrique
      Tous éteints Installation électrique
      • Allumage & alternateur
      • Bougies d'allumage
      • Éclairage
      • Faisceaux de câbles
      • Fiche
      • Instruments
      • Interrupteur
      • Piles
      • Régulateurs & redresseurs
      • Sources lumineuses
      • Vis & petites pièces
    • Cadre & pièces rapportées
      Tous éteints Cadre & pièces rapportées
      • Amortisseur de chocs
      • Bancs
      • Béquille principale
      • Ecritures
      • Fourchettes
      • Palier de direction
      • Pièces d'habillage
      • Système de carburant
      • Vis & petites pièces
    • Guidons & armatures
      Tous éteints Guidons & armatures
      • Frein & embrayage
      • Guidon & pièces d'habillage
      • Instruments
      • Interrupteur
      • Miroir
      • Poignées
      • Poignées de commande de gaz
      • Vis & petites pièces
    • Câbles Bowden
      Tous éteints Câbles Bowden
      • Arbres de tachymètre
      • Conduites de frein
      • Éléments de commande
      • Entraînements tachymétriques
      • Mamelons de serrage & vis de réglage
      • Palans à câble & kits
    • Roues
      Tous éteints Roues
      • Freins
      • Jantes
      • Pneus
      • Roues
      • Tuyaux
      • Vannes & petites pièces
    • Service
      Tous éteints Service
      • Huiles
      • Nettoyant
      • Outils
      • Sets
    • Pétrole & chimie
      Tous éteints Pétrole & chimie
      • Adhésifs
      • Fournitures d'atelier
      • Graisses & lubrifiants
      • Huiles
      • Produit d'étanchéité
      • Produits d'entretien & nettoyants
      • Substances de service
      • Vernis & peintures
    • Accessoires
      Tous éteints Accessoires
      • Accessoires spéciaux
      • Arceau de sécurité
      • Equipement d'atelier
      • Littérature
      • Marchandise
      • Pare-vent
      • Porte-bagages
      • Protection contre le vol
      • Sacs
      • Supports de téléphone portable & accessoires
    • Casques & Vêtements
      Tous éteints Casques & Vêtements
      • Accessoires
      • Casques
      • Gants
      • T-shirt & chemises
      • Vestes & pantalons
    Astuce du jour
    Cylindre -BGM PRO MRB-Racetour 225cc- Lambretta TV 200, SX 200, DL 200, GP 200
    BGM PRO
    Cylindre -BGM PRO MRB-Racetour 225cc- Lambretta TV 200, SX 200, DL 200, GP 200
    525,00 €*
  • Scooter 50-850cc
    • Moteur
      Tous éteints Moteur
      • Allumage
      • Boîtes de vitesses
      • Carburateurs
      • Carters moteur
      • Cylindres
      • Démarreur
      • Embrayage
      • Filtres à air
      • Joints
      • Moteurs
      • Pot d'échappement
      • Raccord d'aspiration & valve à lamelles
      • Refroidissement
      • Révision
      • Système d'injection
      • Transmission
      • Vilebrequin
      • Vis & petites pièces
    • Installation électrique
      Tous éteints Installation électrique
      • Allumage & alternateur
      • Ampoules
      • Batteries
      • Bougies
      • Câbles
      • démarreur
      • éclairage
      • Instruments d'affichage
      • Interrupteurs
      • prises et fiches
      • Régulateur, redresseur
      • Vis & petites pièces
    • Cadre & pièces rapportées
      Tous éteints Cadre & pièces rapportées
      • Amortisseur de chocs
      • Bancs
      • Béquille principale & latérale
      • Ecritures
      • Fourchettes
      • Palier de direction
      • Pièces d'habillage
      • Système de carburant
      • Vis & petites pièces
    • Guidons & armatures
      Tous éteints Guidons & armatures
      • Frein & embrayage
      • Guidon & pièces d'habillage
      • Instruments
      • Interrupteur
      • Miroir
      • Poignées
      • Poignées de commande de gaz
      • Vis & petites pièces
    • Câbles Bowden
      Tous éteints Câbles Bowden
      • Arbres de tachymètre
      • Conduites de frein
      • Éléments de commande
      • Entraînements tachymétriques
      • Mamelons de serrage & vis de réglage
      • Palans à câble & kits
    • Roues
      Tous éteints Roues
      • Freins
      • Jantes
      • Pneus
      • Roues
      • Tuyaux
      • Vannes & petites pièces
    • Service
      Tous éteints Service
      • Courroies
      • Filtre
      • Huiles
      • Nettoyant
      • Outils
      • Sets
    • Pétrole & chimie
      Tous éteints Pétrole & chimie
      • Adhésifs
      • Consommables
      • Fournitures d'atelier
      • Graisses & lubrifiants
      • Huiles
      • Produit d'étanchéité
      • Produits d'entretien & nettoyants
      • Vernis & peintures
    • Accessoires
      Tous éteints Accessoires
      • Accessoires spéciaux
      • Crash bars
      • Equipement d'atelier
      • Kits d'étranglement & limiteurs de vitesse
      • Littérature
      • Marchandise
      • Pare-vent
      • Porte-bagages
      • Protection contre le vol
      • Sacs
      • Supports de téléphone portable & accessoires
      • TopCase
    • Casques & Vêtements
      Tous éteints Casques & Vêtements
      • Accessoires
      • Casques
      • Gants
      • Lunettes & visières
      • T-shirt & chemises
      • Vestes & pantalons
    Astuce du jour
    Amortisseur arrière -MALOSSI- RS24/10-R, 333mm- Vespa ET2 50, S 50, Piaggio Quartz, ZIP SP, Sfera 50, Sfera80, Sfera RST 50, SKR 125, SKR150
    Malossi
    Amortisseur arrière -MALOSSI- RS24/10-R, 333mm- Vespa ET2 50, S 50, Piaggio Quartz, ZIP SP, Sfera 50, Sfera80, Sfera RST 50, SKR 125, SKR150
    559,00 €*
  1. Eclatés
  2. Vespa Primavera/Sprint/946 125/150
  3. Vespa Primavera 125 (2017, ZAPM81101)
Moteur
Installation électrique
Cadre & pièces rapportées
Guidons & armatures
Câbles Bowden
Roues
Service
Pétrole & chimie
Accessoires
Casques & Vêtements
Vespa Primavera 125 (2017, ZAPM81101)
  • Eclatés
    • Amortisseur arrière
    • Autocollants
    • Batterie
    • Béquille centrale
    • Boîte à gants
    • Boîte de vitesses
    • Boîtier papillon
    • Bras oscillant
    • câble Bowden
    • Carénage latéral
    • Carter moteur
    • Châssis
    • Coiffe cylindre
    • Compartiment pour casque
    • Couvercle carter moteur
    • Couvre guidon
    • Culasse
    • Cylindre
    • Démarreur
    • Faisceau
    • Feu arrière
    • Filtre à air
    • Filtre à huile
    • Fixation bras oscillant
    • Fourche roue avant
    • Frein arrière
    • Frein avant
    • Freinage (ABS)
    • Garde boue
    • Guidon
    • Interrupteur
    • Kit serrure
    • Moteur
    • Optique de phare
    • Pare-brise
    • Plancher
    • Pompe à huile
    • Porte bagages arrière
    • Porte bagages avant
    • Porte plaque
    • Pot d'échappement
    • Poulie entraînée - embrayage
    • Régulateur
    • Réservoir d'essence
    • Rétroviseur
    • Roue arrière
    • Roue avant
    • Selle
    • Tableau de bord
    • Tablier
    • Variateur
    • Vilebrequin
    • Volant magnétique
Eclatés
Vespa Primavera 125 (2017, ZAPM81101)
Amortisseur arrière
Amortisseur arrière
Autocollants
Autocollants
Batterie
Batterie
Béquille centrale
Béquille centrale
Boîte à gants
Boîte à gants
Boîte de vitesses
Boîte de vitesses
Boîtier papillon
Boîtier papillon
Bras oscillant
Bras oscillant
câble Bowden
câble Bowden
Carénage latéral
Carénage latéral
Carter moteur
Carter moteur
Châssis
Châssis
Coiffe cylindre
Coiffe cylindre
Compartiment pour casque
Compartiment pour casque
Couvercle carter moteur
Couvercle carter moteur
Couvre guidon
Couvre guidon
Culasse
Culasse
Cylindre
Cylindre
Démarreur
Démarreur
Faisceau
Faisceau
Feu arrière
Feu arrière
Filtre à air
Filtre à air
Filtre à huile
Filtre à huile
Fixation bras oscillant
Fixation bras oscillant
Fourche roue avant
Fourche roue avant
Frein arrière
Frein arrière
Frein avant
Frein avant
Freinage (ABS)
Freinage (ABS)
Garde boue
Garde boue
Guidon
Guidon
Interrupteur
Interrupteur
Kit serrure
Kit serrure
Moteur
Moteur
Optique de phare
Optique de phare
Pare-brise
Pare-brise
Plancher
Plancher
Pompe à huile
Pompe à huile
Porte bagages arrière
Porte bagages arrière
Porte bagages avant
Porte bagages avant
Porte plaque
Porte plaque
Pot d'échappement
Pot d'échappement
Poulie entraînée - embrayage
Poulie entraînée - embrayage
Régulateur
Régulateur
Réservoir d'essence
Réservoir d'essence
Rétroviseur
Rétroviseur
Roue arrière
Roue arrière
Roue avant
Roue avant
Selle
Selle
Tableau de bord
Tableau de bord
Tablier
Tablier
Variateur
Variateur
Vilebrequin
Vilebrequin
Volant magnétique
Volant magnétique
Abonnez-vous à la Scooter Center. newsletter
Saisir l'adresse e-mail.
Inscris-toi maintenant à notre newsletter et bénéficie d'une réduction de 5 € sur ta prochaine commande à partir de 50 € !
Reste toujours à jour - avec des nouvelles, des promotions et des offres exclusives sur les scooters & le tuning.
Se désabonner est possible à tout moment. Tes données ne seront pas transmises à des tiers.
Scooter Center
très bon 4.7 / 5
Scooter Center
A propos de nous
Contact
Possibilités de contact
Heures d'ouverture
Pour les revendeurs
Carrière
Notre responsabilité/ESG
 
Service
Frais de livraison
Modes de paiement/prix
Retours de marchandises
Acheter un bon cadeau
Commande directe
Schemas explosion
FAQ
Paiement et livraison
Sie können im Shop mit paypal zahlen Sie können im Shop per Vorkasse zahlen Sie können im Shop mit Kreditkarte zahlen Sie können im Shop mit Google Pay zahlen Sie können im Shop mit Apple Pay zahlen Sie können im Shop per Nachnahme zahlen Sie können im Shop mit Trustly zahlen Sie können im Shop mit iDEAL zahlen Sie können im Shop mit bancontact zahlen Sie können im Shop mit Bancomat Pay zahlen Sie können im Shop mit Amex zahlen Sie können im Shop mit BLIK zahlen
Livraison gratuite à partir d'un montant de commande de 99 euros pour tous les clients finaux en Allemagne.
Wir versenden mit DHL Wir versenden mit ups Wir versenden mit DPD Wir versenden mit Fedex Click & Collect
Ausgezeichnet durch das eKomi Siegel
Articles sans TÜV ni ABE, sauf indication contraire. Les délais de livraison indiqués se réfèrent aux livraisons en Allemagne.
Tous droits réservés © 2025 Scooter Center GmbH
Juridique
Conditions environnementales Règlement sur les petites pièces électriques Droit de rétractation CGV & infos client Paramètres des cookies Mentions légales Protection des données
* incl. TVA plus frais d´expédition