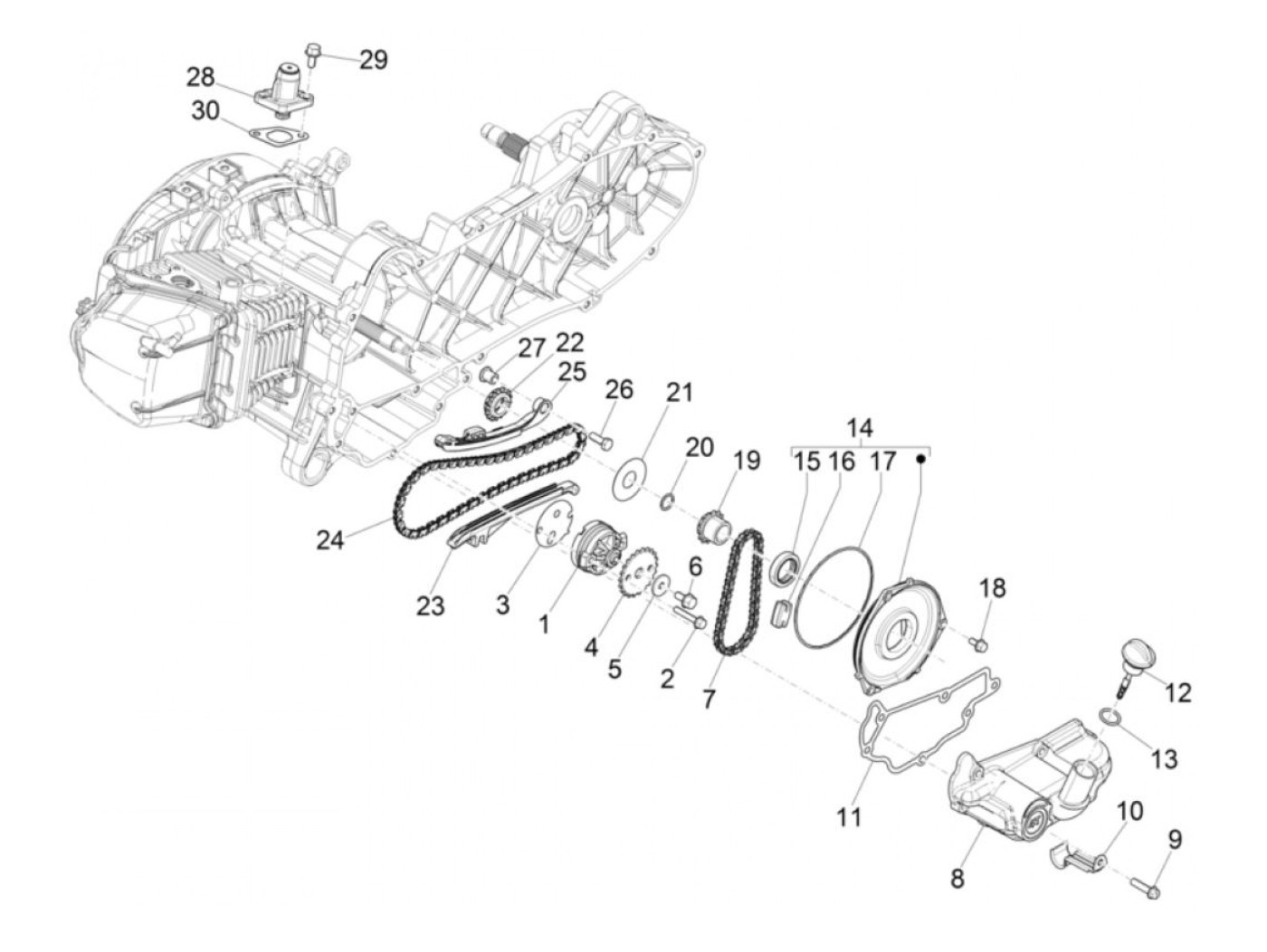
Pompe à huile
Vespa Primavera 50 Sport IGET (4-temps, 2019-2020, ZAPCA0100)
Trier