très bon
4.7 / 5
Expédition aujourd`hui pour toute commande en 13 h 34 min
Port gratuit à partir de 99€ (DE)
Grande satisfaction des clients
Contact
|
Protection des données
|
CGV & Infos clients
|
Mentions légales
Expédition aujourd`hui pour toute commande en 13 h 34 min
Blog
DE | €
Mon garage
Mot de passe oublié ?
connexion
Créer un nouveau compte client
0
Tous les
Moteur
Tous éteints Moteur
Allumage
Aspiration & membrane
Boîtes de vitesses
Carburateur
Cylindre
Démarreur
Embrayage
Entraînement
Filtre à air
Joints d'étanchéité
Moteur & boîtier
Moteurs
Pot d'échappement
Refroidissement
Révision
Système d'injection
Vilebrequin
Vis & petites pièces
Installation électrique
Tous éteints Installation électrique
Allumage & alternateur
Bougies d'allumage
Câble
Démarreur
Éclairage
Fiche
Instruments
Interrupteur
Piles
Régulateur, redresseur
Sources lumineuses
Vis & petites pièces
Cadre & pièces rapportées
Tous éteints Cadre & pièces rapportées
Amortisseur de chocs
Béquille principale & latérale
Ecritures
Fourches
Palier de direction
Pièces d'habillage
Selles
Système de carburant
Vis & petites pièces
Guidons & armatures
Tous éteints Guidons & armatures
Frein & embrayage
Guidon & pièces d'habillage
Instruments
Interrupteur
Miroir
Poignées
Poignées de commande de gaz
Vis & petites pièces
Câbles Bowden
Tous éteints Câbles Bowden
Arbres de tachymètre
Conduites de frein
Éléments de commande
Entraînements tachymétriques
Mamelons de serrage & vis de réglage
Palans à câble & kits
Roues
Tous éteints Roues
Freins
Jantes
Pneus
Roues
Tuyaux
Vannes & petites pièces
Service
Tous éteints Service
Courroies
Filtre
Huiles
Outils
Sets
Pétrole & chimie
Tous éteints Pétrole & chimie
Adhésifs
Fournitures d'atelier
Graisses & lubrifiants
Huiles
Produit d'étanchéité
Produits d'entretien & nettoyants
Substances de service
Vernis & peintures
Accessoires
Tous éteints Accessoires
Accessoires spéciaux
Crash bars
Équipement d'atelier
Kits d'étranglement & limiteurs de vitesse
Manuels et plus
Marchandise
Pare-vent
Porte bagages
Protection contre le vol
Sacs
Supports de téléphone portable & accessoires
Top case
Casques & Vêtements
Tous éteints Casques & Vêtements
Accessoires
Casques
Gants
Lunettes & visières
T-Shirt & Hemden
Vestes & pantalons
Bons d'achat
Astuce du jour
BGM PRO
Pince à sertir à cliquets -BGM PRO- pour embouts de gaine Ø=4mm, Ø=5mm, Ø=6mm
54,00 €*
Vespa Classique
Moteur
Tous éteints Moteur
Allumage
Aspiration & membrane
Boîte de vitesses
Carburateur
Cylindre
Démarreur
Embrayage
Entraînement
Filtre à air
Joints d'étanchéité
Kit de révision
Moteur & boîtier
Moteurs
Pot d'échappement
Refroidissement
Vilebrequin
Vis & petites pièces
Installation électrique
Tous éteints Installation électrique
Allumage & alternateur
Bougies d'allumage
Câble
Démarreur
Éclairage
Fiche
Instruments
Interrupteur
Piles
Régulateur, redresseur
Sources lumineuses
Vis & petites pièces
Châssis
Tous éteints Châssis
Amortisseur de chocs
Bancs
Béquille principale & latérale
Ecritures
Fourchettes
Palier de direction
Pièces châssis
Système de carburant
Vis & petites pièces
Guidon
Tous éteints Guidon
Frein & embrayage
Guidon & pièces d'habillage
Instruments
Interrupteur
Miroir
Poignées
Poignées de commande de gaz
Vis & petites pièces
Câbles Bowden
Tous éteints Câbles Bowden
Arbres de tachymètre
Conduites de frein
Éléments de commande
Entraînements tachymétriques
Mamelons de serrage & vis de réglage
Palans à câble & kits
Roues
Tous éteints Roues
Freins
Jantes
Pneus
Roues
Tuyaux
Vannes & petites pièces
Service
Tous éteints Service
Filtre
Huiles
Outils
Sets
Huile et chimie
Tous éteints Huile et chimie
Adhésifs
Fournitures d'atelier
Graisses & lubrifiants
Huiles
Produit d'étanchéité
Produits d'entretien & nettoyants
Substances de service
Vernis & peintures
Accessoires
Tous éteints Accessoires
Accessoires spéciaux
Arceau de sécurité
Equipement d'atelier
Littérature
Marchandise
Pare-vent
Porte-bagages
Sacs
Supports de téléphone portable & accessoires
TopCase
Casques & Vêtements
Tous éteints Casques & Vêtements
Accessoires
Casques
Gants
Lunettes & visières
T-shirt & chemises
Vestes & pantalons
Astuce du jour
Top
Premium Spares
Échappement -RS Series 1.0 'JL Style'- gauche- Vespa PX200, Rally200, Motovespa DN200, DS200 - Acier inoxydable
349,00 €*
Vespa Moderne
Moteur
Tous éteints Moteur
Allumage
Aspiration & membrane
Boîte de vitesses
Carburateur
Cylindre
Démarreur
Embrayage
Entraînement
Filtre à air
Joints d'étanchéité
Kit de révision
Moteur & boîtier
Moteurs
Pot d'échappement
Refroidissement
Système d'injection
Vilebrequin
Vis & petites pièces
Installation électrique
Tous éteints Installation électrique
Allumage & alternateur
Bougies d'allumage
Câble
Démarreur
Éclairage
Fiche
Instruments
Interrupteur
Piles
Régulateur, redresseur
Sources lumineuses
Vis & petites pièces
Cadre & pièces rapportées
Tous éteints Cadre & pièces rapportées
Amortisseur de chocs
Bancs
Béquille principale & latérale
Ecritures
Fourchettes
Palier de direction
Pièces d'habillage
Système de carburant
Vis & petites pièces
Guidons & armatures
Tous éteints Guidons & armatures
Frein & embrayage
Guidon & pièces d'habillage
Instruments
Interrupteur
Miroir
Poignées
Poignées de commande de gaz
Vis & petites pièces
Câbles Bowden
Tous éteints Câbles Bowden
Arbres de tachymètre
Conduites de frein
Éléments de commande
Entraînements tachymétriques
Mamelons de serrage & vis de réglage
Palans à câble & kits
Roues
Tous éteints Roues
Freins
Jantes
Pneus
Roues
Tuyaux
Vannes & petites pièces
Service
Tous éteints Service
Courroie trapézoïdale
Filtre
Huiles
Nettoyant
Outils
Sets
Pétrole & chimie
Tous éteints Pétrole & chimie
Adhésifs
Fournitures d'atelier
Graisses & lubrifiants
Huiles
Produit d'étanchéité
Produits d'entretien & nettoyants
Substances de service
Vernis & peintures
Accessoires
Tous éteints Accessoires
Accessoires spéciaux
Arceau de sécurité
Equipement d'atelier
Littérature
Marchandise
Pare-vent
Porte-bagages
Protection contre le vol
Sacs
Supports de téléphone portable & accessoires
TopCase
Casques & Vêtements
Tous éteints Casques & Vêtements
Accessoires
Casques
Gants
Lunettes & visières
T-shirt & chemises
Vestes & pantalons
Astuce du jour
Malossi
Support d'amortisseur -MALOSSI- Vespa PK S-XL, Vespa ET2, ET4, Piaggio Sfera, Sfera RST, Zip SP
89,00 €*
Cyclomoteur Classique
Moteur
Tous éteints Moteur
Allumage
Aspiration & membrane
Boîte de vitesses
Carburateur
Cylindre
Démarreur
Embrayage
Entraînement
Filtre à air
Joints d'étanchéité
Kit de révision
Moteur & boîtier
Pot d'échappement
Refroidissement
Vilebrequin
Vis & petites pièces
Installation électrique
Tous éteints Installation électrique
Allumage & alternateur
Bougies d'allumage
Câble
Éclairage
Fiche
Instruments
Interrupteur
Piles
Régulateur, redresseur
Sources lumineuses
Vis & petites pièces
Cadre & pièces rapportées
Tous éteints Cadre & pièces rapportées
Amortisseur de chocs
Bancs
Béquille principale & latérale
Ecritures
Fourchettes
Palier de direction
Pièces d'habillage
Système de carburant
Vis & petites pièces
Guidons & armatures
Tous éteints Guidons & armatures
Frein & embrayage
Guidon & pièces d'habillage
Instruments
Interrupteur
Miroir
Poignées
Poignées de commande de gaz
Vis & petites pièces
Câbles Bowden
Tous éteints Câbles Bowden
Arbres de tachymètre
Éléments de commande
Entraînements tachymétriques
Mamelons de serrage & vis de réglage
Palans à câble & kits
Roues
Tous éteints Roues
Freins
Jantes
Pneus
Roues
Tuyaux
Vannes & petites pièces
Service
Tous éteints Service
Filtre
Huiles
Outils
Pétrole & chimie
Tous éteints Pétrole & chimie
Adhésifs
Fournitures d'atelier
Graisses & lubrifiants
Huiles
Produits d'entretien & nettoyants
Produits d'étanchéité
Substances de service
Vernis & peintures
Accessoires
Tous éteints Accessoires
Accessoires spéciaux
Equipement d'atelier
Littérature
Marchandise
Porte-bagages
Protection contre le vol
Sacs
Casques & Vêtements
Tous éteints Casques & Vêtements
Accessoires
Casques
Gants
T-shirt & chemises
Astuce du jour
Tecno
Pot d’échappement -TECNO- Mopedpott, collecteur épais, raccord : Ø22mm- Piaggio Ciao, Bravo - noir (convient aux voitures avec béquille principale)
41,90 €*
Lambretta
Moteur
Tous éteints Moteur
Allumage
Aspiration & membrane
Boîte de vitesses
Carburateur
Cylindre
Embrayage
Entraînement
Filtre à air
Joints d'étanchéité
Kickstarter
Moteur & boîtier
Pot d'échappement
Refroidissement
Sets de révision
Vilebrequin
Vis & petites pièces
Installation électrique
Tous éteints Installation électrique
Allumage & alternateur
Bougies d'allumage
Éclairage
Faisceaux de câbles
Fiche
Instruments
Interrupteur
Piles
Régulateurs & redresseurs
Sources lumineuses
Vis & petites pièces
Cadre & pièces rapportées
Tous éteints Cadre & pièces rapportées
Amortisseur de chocs
Bancs
Béquille principale
Ecritures
Fourchettes
Palier de direction
Pièces d'habillage
Système de carburant
Vis & petites pièces
Guidons & armatures
Tous éteints Guidons & armatures
Frein & embrayage
Guidon & pièces d'habillage
Instruments
Interrupteur
Miroir
Poignées
Poignées de commande de gaz
Vis & petites pièces
Câbles Bowden
Tous éteints Câbles Bowden
Arbres de tachymètre
Conduites de frein
Éléments de commande
Entraînements tachymétriques
Mamelons de serrage & vis de réglage
Palans à câble & kits
Roues
Tous éteints Roues
Freins
Jantes
Pneus
Roues
Tuyaux
Vannes & petites pièces
Service
Tous éteints Service
Huiles
Nettoyant
Outils
Sets
Pétrole & chimie
Tous éteints Pétrole & chimie
Adhésifs
Fournitures d'atelier
Graisses & lubrifiants
Huiles
Produit d'étanchéité
Produits d'entretien & nettoyants
Substances de service
Vernis & peintures
Accessoires
Tous éteints Accessoires
Accessoires spéciaux
Arceau de sécurité
Equipement d'atelier
Littérature
Marchandise
Pare-vent
Porte-bagages
Protection contre le vol
Sacs
Supports de téléphone portable & accessoires
Casques & Vêtements
Tous éteints Casques & Vêtements
Accessoires
Casques
Gants
T-shirt & chemises
Vestes & pantalons
Astuce du jour
BGM PRO
Porte roue de secours sol central -BGM PRO- Lambretta Lui, Luna, Vega, Cometa - inox
79,00 €*
Scooter 50-850cc
Moteur
Tous éteints Moteur
Allumage
Boîtes de vitesses
Carburateurs
Carters moteur
Cylindres
Démarreur
Embrayage
Filtres à air
Joints
Moteurs
Pot d'échappement
Raccord d'aspiration & valve à lamelles
Refroidissement
Révision
Système d'injection
Transmission
Vilebrequin
Vis & petites pièces
Installation électrique
Tous éteints Installation électrique
Allumage & alternateur
Ampoules
Batteries
Bougies
Câbles
démarreur
éclairage
Instruments d'affichage
Interrupteurs
prises et fiches
Régulateur, redresseur
Vis & petites pièces
Cadre & pièces rapportées
Tous éteints Cadre & pièces rapportées
Amortisseur de chocs
Bancs
Béquille principale & latérale
Ecritures
Fourchettes
Palier de direction
Pièces d'habillage
Système de carburant
Vis & petites pièces
Guidons & armatures
Tous éteints Guidons & armatures
Frein & embrayage
Guidon & pièces d'habillage
Instruments
Interrupteur
Miroir
Poignées
Poignées de commande de gaz
Vis & petites pièces
Câbles Bowden
Tous éteints Câbles Bowden
Arbres de tachymètre
Conduites de frein
Éléments de commande
Entraînements tachymétriques
Mamelons de serrage & vis de réglage
Palans à câble & kits
Roues
Tous éteints Roues
Freins
Jantes
Pneus
Roues
Tuyaux
Vannes & petites pièces
Service
Tous éteints Service
Courroies
Filtre
Huiles
Nettoyant
Outils
Sets
Pétrole & chimie
Tous éteints Pétrole & chimie
Adhésifs
Consommables
Fournitures d'atelier
Graisses & lubrifiants
Huiles
Produit d'étanchéité
Produits d'entretien & nettoyants
Vernis & peintures
Accessoires
Tous éteints Accessoires
Accessoires spéciaux
Crash bars
Equipement d'atelier
Kits d'étranglement & limiteurs de vitesse
Littérature
Marchandise
Pare-vent
Porte-bagages
Protection contre le vol
Sacs
Supports de téléphone portable & accessoires
TopCase
Casques & Vêtements
Tous éteints Casques & Vêtements
Accessoires
Casques
Gants
Lunettes & visières
T-shirt & chemises
Vestes & pantalons
Astuce du jour
Malossi
Amortisseur arrière -MALOSSI- RS24/10-R, 333mm- Vespa ET2 50, S 50, Piaggio Quartz, ZIP SP, Sfera 50, Sfera80, Sfera RST 50, SKR 125, SKR150
559,00 €*
Vespa 125/150/180/200 Rally/Sprint 57-
Vespa 150 (VGLB)
Tank, Sattel
Moteur
Installation électrique
Châssis
Guidon
Câbles Bowden
Roues
Service
Huile et chimie
Accessoires
Casques & Vêtements
Vespa 150 (VGLB)
Eclatés
Accessoires
Allumage
Amortisseur arrière
Baguettes de plancher - pot d'échappement
Bobine d'allumage
Boîte de vitesses - frein arrière
Carburateur
Carter moteur - cylindre
Châssis
Elektrik
Embrayage - vilebrequin
Faisceau
Fourche
Kick
Lenker
Réservoir d'essence - selle
Roues
Suspension avant
Transmissions I
Transmissions II
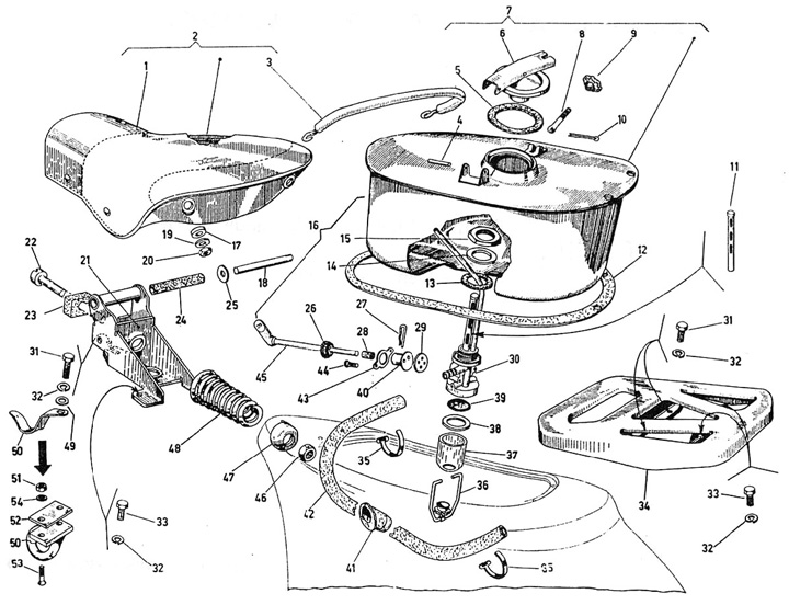
Réservoir d'essence - selle
Vespa 150 (VGLB)
Nom du composant
Robinet d'essence
(1)
Levier du robinet d'essence
(1)
Tuyau d'essence
(1)
Joint d'étanchéité du robinet d'essence
(1)
Rondelle élastique
(1)
Filtre
(1)
Porte-bagages
(1)
Porte-bagages arrière
(1)
Pièce en caoutchouc
(3)
Poignée de maintien
(1)
Ecrou
(4)
Rivet
(1)
Vanne
(1)
Colliers de serrage
(1)
Vis
(1)
Goupille fendue
(1)
Bouchon de réservoir
(2)
Rondelle
(3)
Pièce d'habillage
(1)
Couleur
apprêté
(1)
Finition
matt
(1)
Matériau
Acier
(1)
Position de montage
à l'arrière
(1)
Fabricant
BGM PRO
(1)
CIF
(1)
Import
(2)
Normfest
(4)
NTN
(1)
OEM-Qualität
(5)
Piaggio
(8)
Premium Spares
(1)
Selleria Trezzi
(1)
Trier
Pertinence
Prix par ordre croissant
Prix décroissant
Marque de A à Z
Marque Z-A
Nouveautés
OEM-Qualität
5420033
Porte bagages -QUALITÉ OEM- Vespa VNB1T-VNB5T, VBA1T, VBB, GL - pas peint
%
Selleria Trezzi
7700020
Poignée selle -(24,5cm entraxe des trous) -SELLERIA TREZZI- Vespa 125 VNA1T, VNA2T, VNB1 à VNB6, Vespa 150 VB1T, VBA1T, VBB1, VBB2 - noir
OEM-Qualität
5250051
Bouchon de réservoir -VESPA- Vespa (1948-1984) Largeframe PX alt - PX80 (V8X), PX125 (VNX), PX150 (VLX), PX200 (VSX), Sprint (VLB), VNA, VNB, VNS, VBB, VBA, VGLA, GT/GTR/TS (VNL), Super (VNC,VBC), GL (VLA),GL ACMA (VGL), GS150, Wideframe V1-V33, VM, VN, V
Piaggio
1159804
Joint réservoir/châssis -PIAGGIO- Vespa tous les modèles Largeframe (1957-) - caoutchouc
BGM PRO
BGM6616
Tuyau d'essence -BGM PRO Ø7x14mm- TPR/PUR (ne durcit pas) - Vespa Classique (Ø intérieur = 7mm, Ø extérieur = 14mm, longueur = 750mm) - noir - convient pour Vespa Largeframe PX, T5, Cosa, Rally, Sprint, VNA, VNB, VBA, VBB, Super, GT, GTR, TS, LML, Motoves
Import
3330125G
Voyant pour robinet d’essence -IMPORT- Vespa Sprint150 (VLB1T), Rally180 (VSD1T), Rally200 (VSE1T), GT125 (VNL2T), GTR125 (VNL2T), GL150 (VLA1T), Super, VNB, VNA, VBA, VBB
Date de livraison
CIF
5250107
Tirette de robinet d’essence -CIF- Vespa Sprint (VLB1T), Sprint Veloce (VLB1T), GT125 (VNL2T), GTR125 (VNL2T), Super (VBC1T, VNC1T), SS180 (VSC1T), GS160 / GS4 (VSB1T), GL (VLA1T), VBB, VNB - métal
Date de livraison
Piaggio
7675373
Vanne robinet d’essence -PIAGGIO- Vespa PX, T5 125ccm, PK, V50, PV, ET3, Rally, Sprint, GT, GTR
Import
3331971
Filtre du réservoir -IMPORT- Vespa PX (jusqu'à AM 1983), VNA, VNB, VBA, VBB, GL150 (VLA1T), Super, Sprint150 (VLB1T), GT125 (VNL2T), GTR125 (VNL2T), TS125 (VNL3T), Rally, GS, SS180
Date de livraison
Hurricane
0205730
Ecrou de bouchon de réservoir Vespa PX, LF 1960-83 - VESPA - V50, V90, SS50, SS90, PV125, ET3, VNA, Super, GL150 (VLA1T), GT125 (VNL2T), GTR125 (VNL2T), TS125 (VNL3T), Sprint150 (VLB1T), Rally180 (VSD1T), Rally200 (VSE1T), PX, PK
Piaggio
5250009
Ecrou robinet d'essence/réservoir -VESPA- PX, Sprint150 (VLB1T), Rally180 (VSD1T), Rally200 (VSE1T), GT125 (VNL2T), GTR125 (VNL2T), GL150 (VLA1T), Super, VNB, VNA , VBA, VBB, V50, V90, SS50, SS90, PV125, ET3, PK XL1
OEM-Qualität
4350079
Joint bouchon de réservoir -QUALITÉ OEM, Ø extérieur 71mm- Vespa Largeframe PX (-1984), Sprint, Rally, GT, GTR, TS, Super, VNA, VNB, VBA, VBB, T4, GS160, SS180, Wideframe V1-33, VN, VM, VB, VL, GS150 (VS1-5) - caoutchouc
Premium Spares
1084262
Caoutchouc châssis/tuyau d’essence -PREMIUM- Vespa Largeframe et Wideframe (1958-)
Piaggio
5250008
Joint robinet d’essence/réservoir -PIAGGIO- Vespa (1950-)
Piaggio
3330461
Rondelle -PIAGGIO- M8 8,4X18,0X2,0mm, zingué plated (utilise pour kick seulement Vespa PX)
OEM-Qualität
MEC923
Bouchon de réservoir locking eyebolt -QUALITÉ OEM- Vespa PX80, PX125, PX150, PX200 (-1984), Vespa 125 - VNB1T - VNB6T, Vespa 150 - VBB1T - VBB2T, GS160 / GS4 (VSB1T) - VSB1T, GL150 (VLA1T) - VLA1T, Super 125 - VNC1T, Super 150 - VBC1T, SS180 (VSC1T) - VSC
Piaggio
7675485
Bague anti-vibration pour tirette de robinet d'essence -PIAGGIO- Vespa PX, T5 125ccm, Rally, Sprint, TS, PV125, V50, PK S, PK XL
NTN
7675606
Écrou -DIN 934- M10 x 1,5 (pour boulon fixation moteur Vespa V50, V90, SS50, SS90, PV125, ET3, PK S, PK XL, pour amortisseur/moteur Vespa PX80, PX125, PX150, PX200 (1984-), T5 125cc, Cosa, PK S, PK XL)
Piaggio
4350102
Goupille robinet d'essence -VESPA- PX, Sprint150 (VLB1T), Rally180 (VSD1T), Rally200 (VSE1T), GT125 (VNL2T), GTR125 (VNL2T), GL150 (VLA1T), Super, VNB, VNA , VBA, VBB, V50, V90, SS50, SS90, PV125, ET3, PK XL2
OEM-Qualität
7675131
Rivet pour bouchon de réservoir -QUALITÉ OEM- Vespa PX (-1984), Rally, Sprint, Sprint Veloce, TS, GT, GTR, SS180, GS160, GL, Super, GS150, VNA, VNB, VBA, VBB, Wideframe V1, V15, V30, V33, VM, VN, VL, VB, VU
1
2
×
×