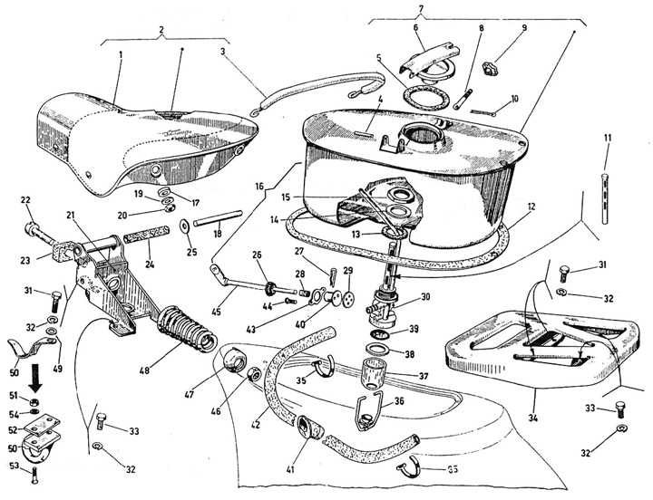
Selle - réservoir d'essence
Vespa 150 GL (VLA1T)
Trier