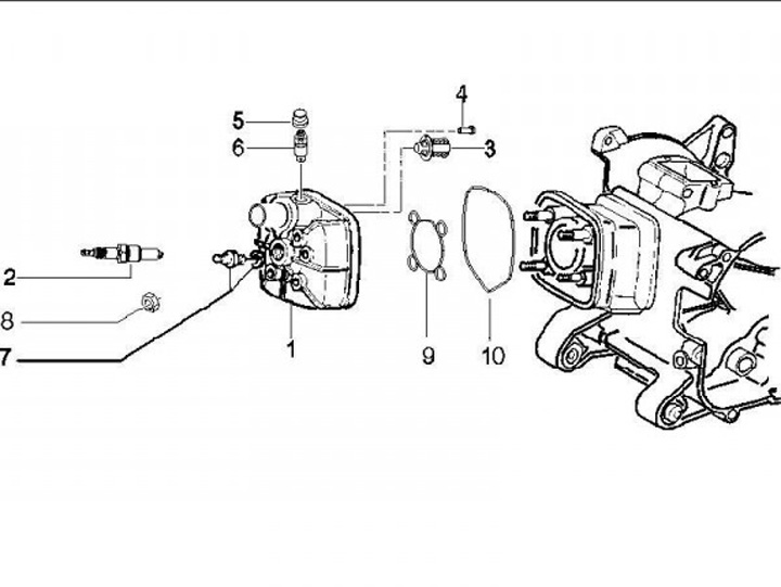
Kepala Silinder
Piaggio Zip 50 SP2 (2006, ZAPC25000)
Urutkan