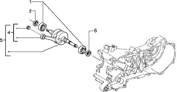
Crankshaft
Piaggio Hexagon 125 (1996, EXS1T)
Sort