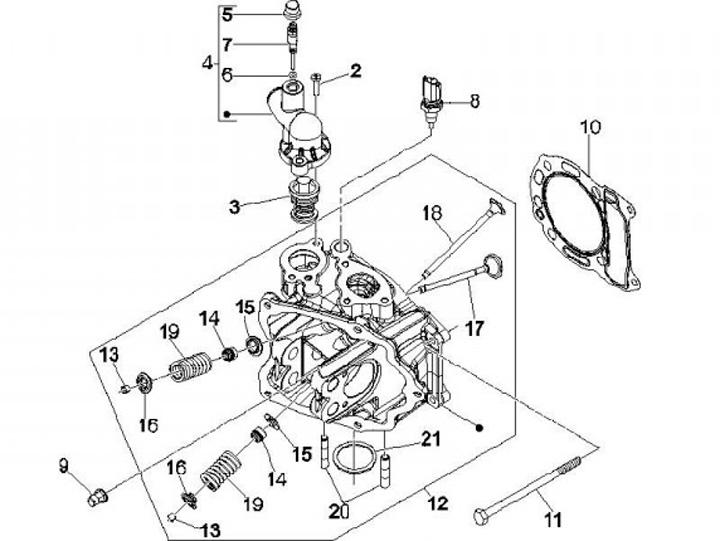
Cylinder head - valves
Vespa GTS 250 ABS (2005, ZAPM45101)
Sort