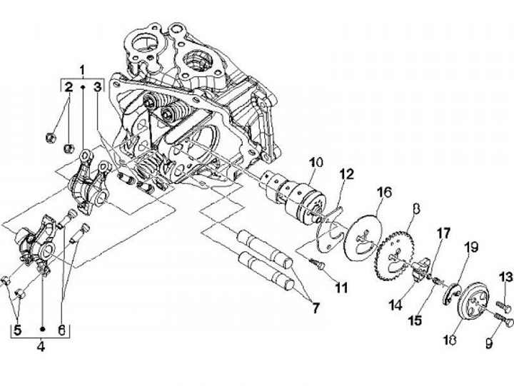
Rocker arm - camshaft
Vespa GTS 250 ABS (2005, ZAPM45101)
Sort