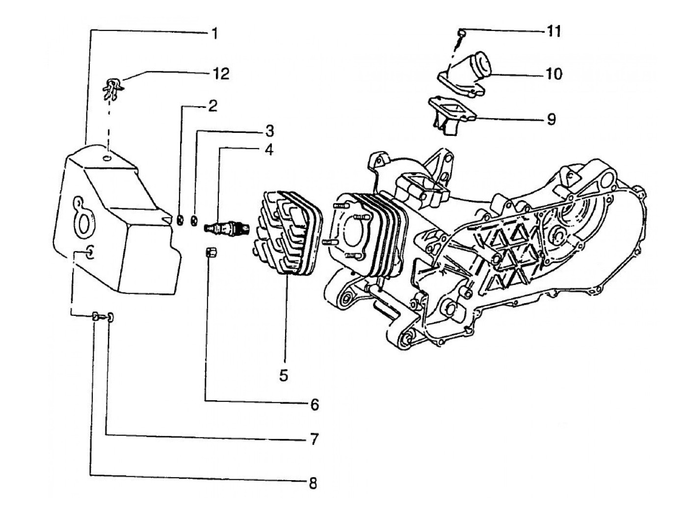
Cylinder head
Vespa ET2 50 (2000, ZAPC16000)
Sort