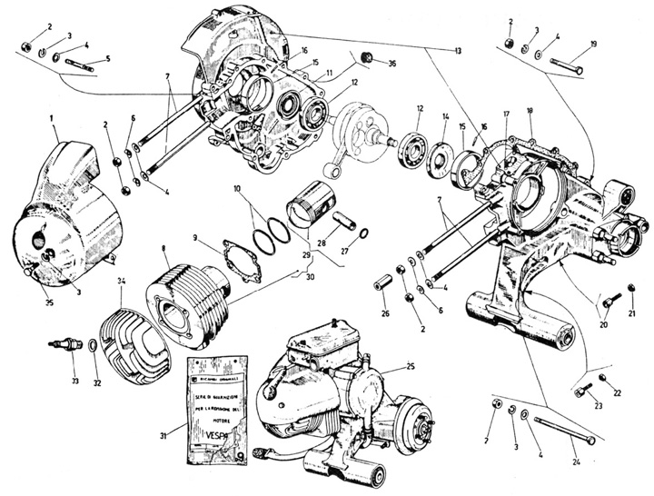
Engine casing - cylinder
Vespa 150 GL (VLA1T)
Sort