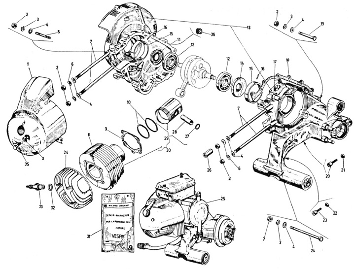
Engine casing - cylinder
Vespa 150 (VGLA)
Sort