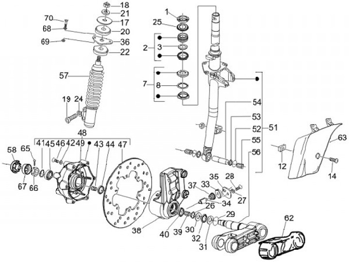
Fork - steering set
Vespa LX 150 (2008, ZAPM44400)
Sort