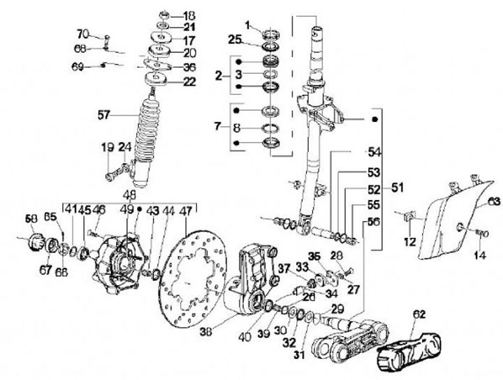
Fork
Vespa LX 125 (2007, ZAPM44100)
Sort