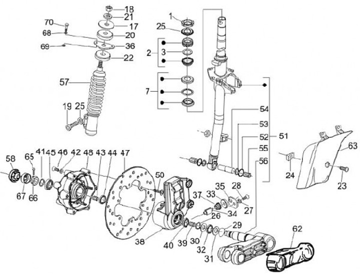
Fork
Vespa LX 150 (2005-2006, ZAPM44200)
Sort