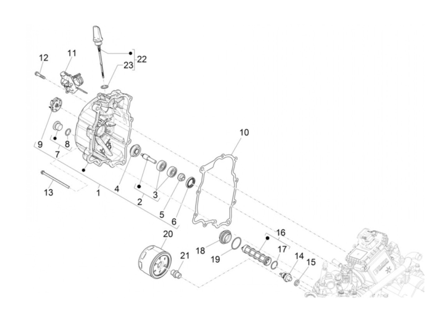
Oil filter
Vespa GTS 300ie Super Sport HPE ABS ASR (2019-2020, ZAPMA3600)
Sort