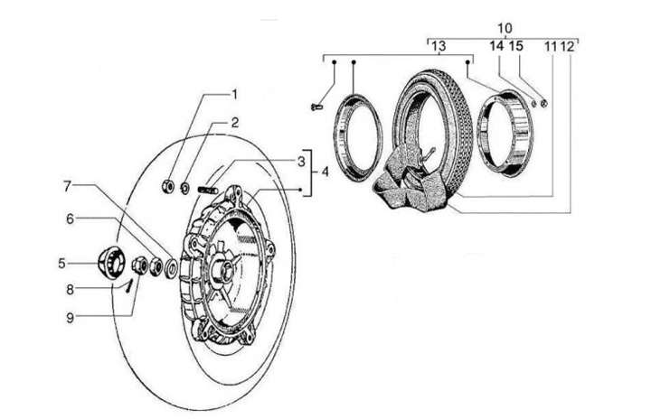
Rear wheel
Vespa PX 125 E Lusso (2016-, ZAPM74100) 70-years
Sort