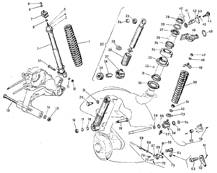
Shock absorber
Motovespa (ES) 125 N (Engine V60M)
Sort