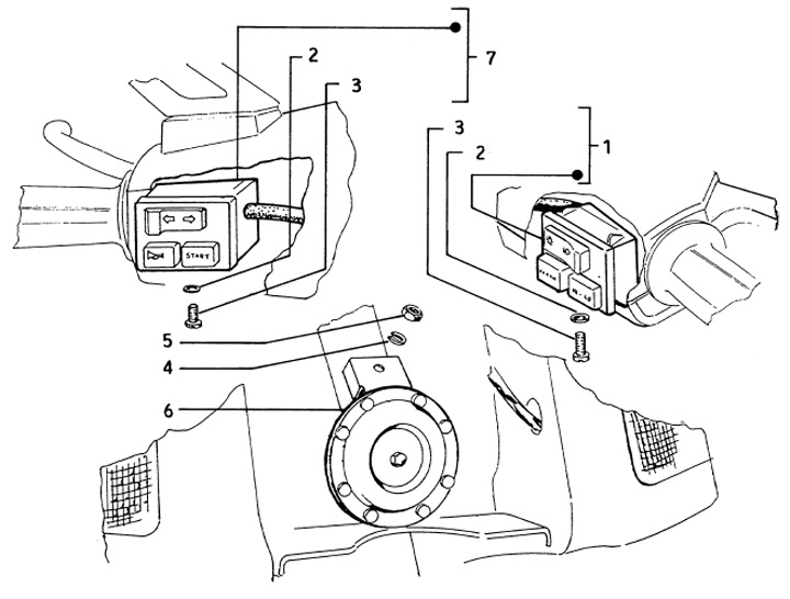
Interrupteur - klaxon
Vespa Cosa 200 FL (VSR1T301)
Trier