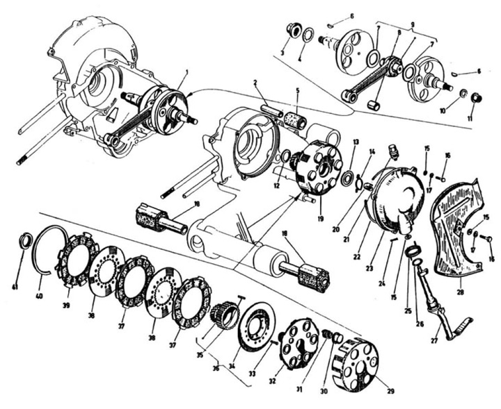
Albero motore - frizione
Vespa 160 GS/4 (VSB1T, 1963, GS4)
Ordinamento