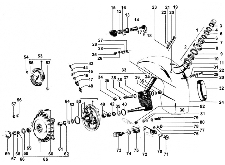
Cuffia - Cuscinetto testa sterzo -PIAGGIO- Piaggio, Gilera, Vespa - top (3 parti) - Vespa V50, 50N, PV, ET3, PK, PX, T5, Cosa, Rally, Sprint, Super, GS160, SS180, GTS, HPE, ET2, ET4, LX/LXV, S50-125, Sprint, Primavera, Runner, SKR, Skipper, TPH, Hexagon -