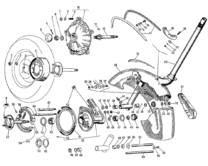
Fork
Motovespa (ES) 150 S (Engine V201M)
Sort