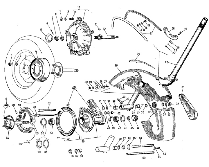
Fork
Motovespa (ES) 125 L (Engine V101M)
Sort