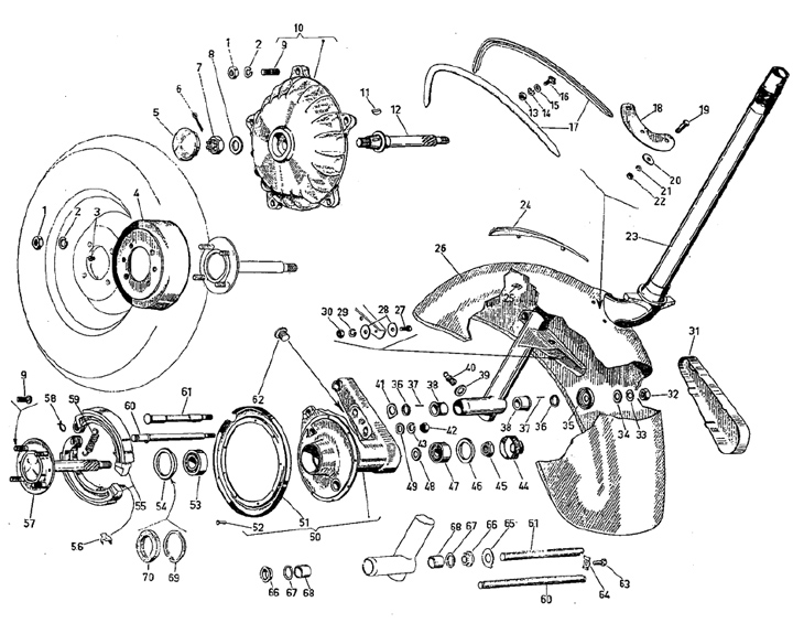
Fork
Motovespa (ES) 150 Sprint (Engine 04M)
Sort