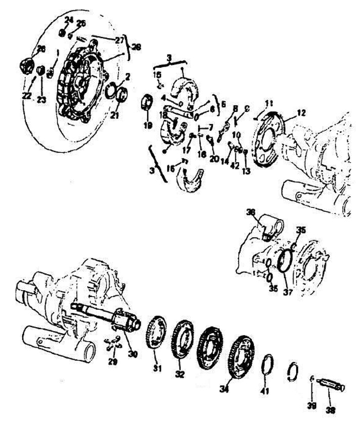
Gearbox - rear brake hub
Vespa PX 200 E (VSX1T, 1981-1983)
Sort