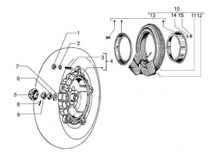
Rear wheel
Vespa PX 150 E Lusso (2017-, ZAPM74200)
Sort