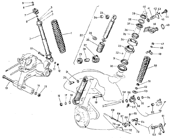
Shock absorber
Motovespa (ES) 150 GS (Engine 04M)
Sort