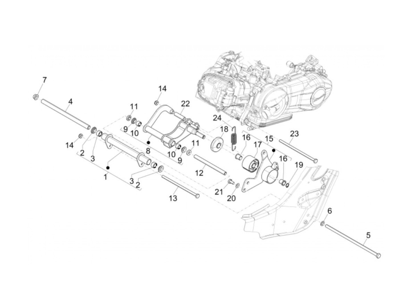
Bras oscillant
Vespa GTS 300ie Super HPE ABS ASR (2019-2020, ZAPMA3600) Racing
Trier