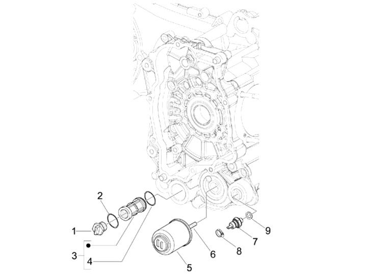
Filtre à huile
Vespa S 125 (2007-2008, ZAPM44302)
Trier