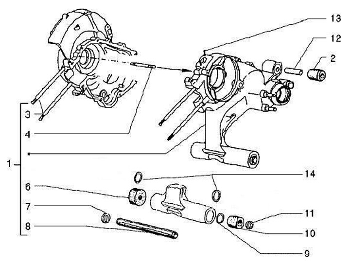
Kasing Kurbel
Vespa PX 80 E Lusso Elestart (V8X1T, 1984-1990)
Urutkan