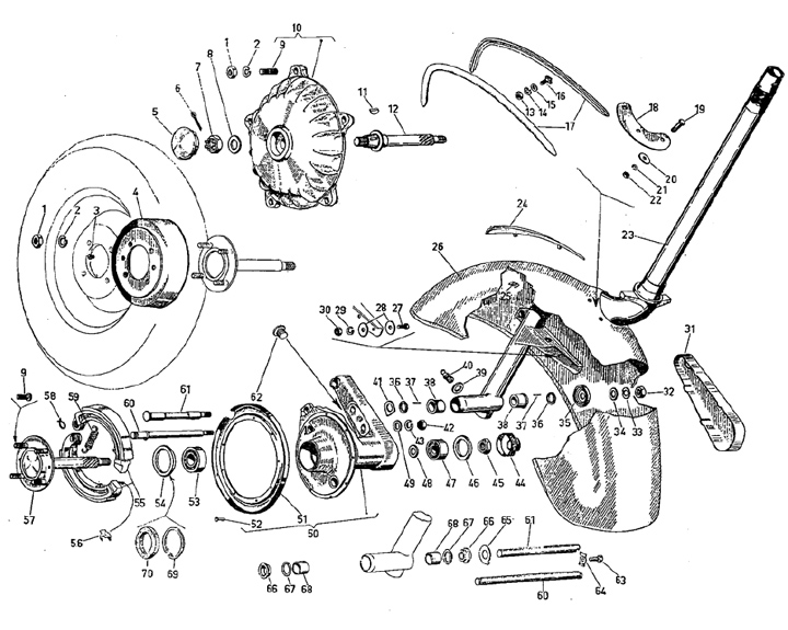
Fork
Motovespa (ES) 125 N (M61)
Sort