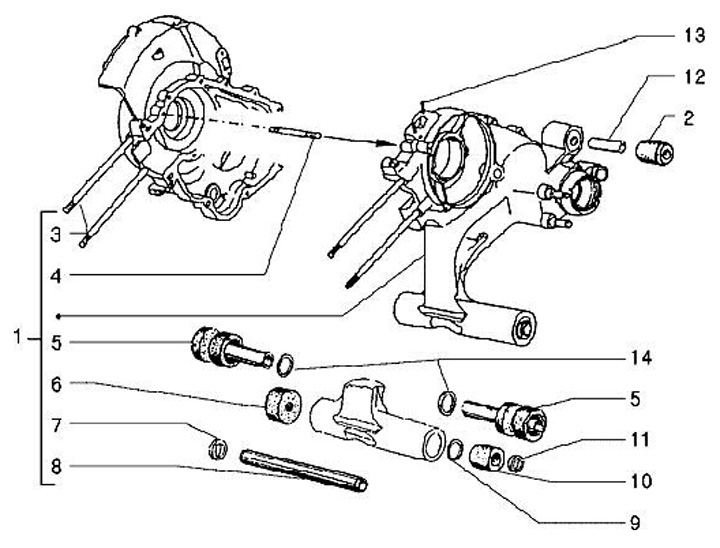
Engine casing
Vespa PX 150 E Lusso (ZAPM09400, 1998-2000)
Sort