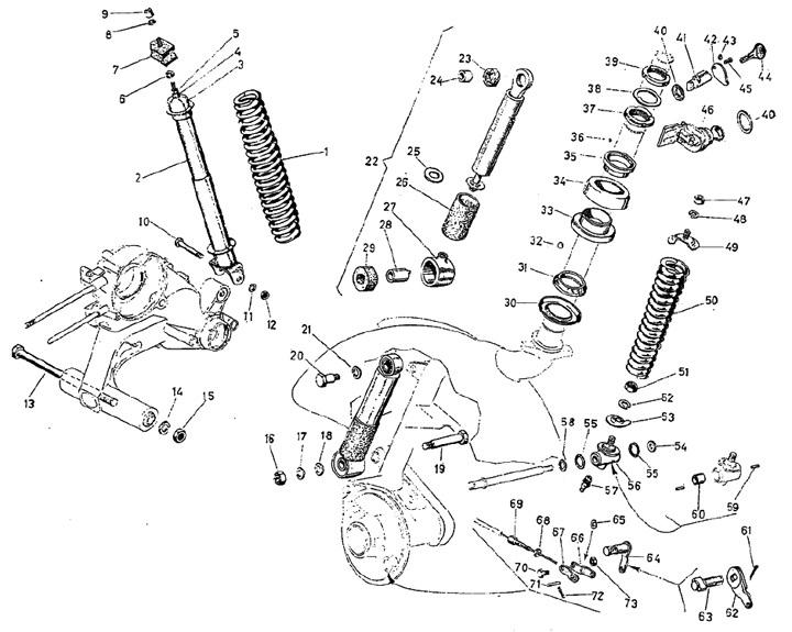
Shock absorber
Motovespa (ES) 150 S (Engine 502M)
Sort