Sangat baik
4.7 / 5
Pengiriman hari ini dengan pesanan di 4 h 50 min
Gratis ongkos kirim mulai dari 99 € (DE)
Kepuasan pelanggan yang tinggi
Kontak
|
Privasi
|
AGB & Info Pelanggan
|
Jejak
Pengiriman hari ini dengan pesanan di 4 h 50 min
Blog
DE | €
Garasi saya
Lupa kata sandi Anda?
masuk
Membuat akun pelanggan baru
0
Semua
Mesin
Mulai dari Mesin
Berkendara
Gearbox
Karburator
Knalpot
Kopling
Manifold & diafragma intake
Motor
Motor & perumahan
Pemula
Pendinginan
Pengapian
Poros engkol
Revisi Set
Saringan udara
Segel
Sekrup & bagian kecil
Silinder
Sistem injeksi
Sistem kelistrikan
Mulai dari Sistem kelistrikan
Baterai
Busi
Colokkan
Instrumen
Kabel
Motor starter
Pencahayaan
Pengapian & alternator
Regulator, penyearah
Sakelar
Sekrup & bagian kecil
Sumber cahaya
Bingkai & bagian tambahan
Mulai dari Bingkai & bagian tambahan
Bagian panel
Bantalan kepala kemudi
Dudukan utama & samping
Garpu
Huruf
Jok
Peredam kejut
Sekrup & bagian kecil
Sistem bahan bakar
Setang & alat kelengkapan
Mulai dari Setang & alat kelengkapan
Bagian setang & fairing
Cermin
Gagang pemindah gas
Instrumen
Menangani
Rem & kopling
Sakelar
Sekrup & bagian kecil
Kabel bowden
Mulai dari Kabel bowden
Elemen kontrol
Kabel speedometer
Penarikan & pemasangan kabel
Penggerak Tacho
Puting penjepit & sekrup penyetel
Saluran rem
Roda
Mulai dari Roda
Ban
Katup & bagian kecil
Rem
Roda
Selang
Velg
Layanan
Mulai dari Layanan
Alat
Filter
Minyak
Sabuk-V
Set
Minyak & Kimia
Mulai dari Minyak & Kimia
Bahan pengoperasian
Gemuk & Pelumas
Minyak
Perekat
Perlengkapan bengkel
Pernis & Warna
Produk perawatan & pembersih
Sealant
Aksesori
Mulai dari Aksesori
Aksesoris Khusus
Anginan
Bagasi
Drosselkatup & Pembatas Putaran
Kantong
Literatur: Sastra
Merchandise
Pemegang Ponsel & Aksesoris
Peralatan Bengkel
Perlindungan dari pencurian
Sturzbügel
TopCase
Helm & Pakaian
Mulai dari Helm & Pakaian
Aksesoris
Helm
Jaket & Celana
Kacamata & Visor
Kaos & Kemeja
Sarung Tangan
Voucher
Tips hari ini
Normfest
Pembersih rem -NORMFEST MC1- 500ml
4,90 €*
Vespa Klassik
Mesin
Mulai dari Mesin
Berkendara
Gearbox
Karburator
Knalpot
Kopling
Manifold & diafragma intake
Motor
Motor & perumahan
Pemula
Pendinginan
Pengapian
Poros engkol
Saringan udara
Segel
Sekrup & bagian kecil
Set revisi
Silinder
Sistem Elektrik
Mulai dari Sistem Elektrik
Baterai
Busi
Colokkan
Instrumen
Kabel
Motor starter
Pencahayaan
Pengapian & alternator
Regulator, penyearah
Sakelar
Sekrup & bagian kecil
Sumber cahaya
Rangka
Mulai dari Rangka
Bagian panel
Bangku
Bantalan kepala kemudi
Dudukan utama & samping
Garpu
Huruf
Peredam kejut
Sekrup & bagian kecil
Sistem bahan bakar
Setang
Mulai dari Setang
Bagian setang & fairing
Cermin
Gagang pemindah gas
Instrumen
Menangani
Rem & kopling
Sakelar
Sekrup & bagian kecil
Bowden Kabel
Mulai dari Bowden Kabel
Elemen kontrol
Kabel speedometer
Penarikan & pemasangan kabel
Penggerak Tacho
Puting penjepit & sekrup penyetel
Saluran rem
Roda
Mulai dari Roda
Ban
Katup & bagian kecil
Pelek
Rem
Roda
Selang
Servis
Mulai dari Servis
Alat
Filter
Minyak
Set
Oli & Kimia
Mulai dari Oli & Kimia
Bahan pengoperasian
Gemuk & Pelumas
Minyak
Perekat
Perlengkapan bengkel
Pernis & Warna
Produk perawatan & pembersih
Sealant
Aksesoris
Mulai dari Aksesoris
Aksesori khusus
Barang dagangan
Bilah kecelakaan
Literatur
Pembawa bagasi
Peralatan bengkel
Perisai angin
Tas
Tempat & aksesori ponsel
TopCase
Helm & Pakaian
Mulai dari Helm & Pakaian
Aksesori
Helm
Jaket & celana panjang
Kacamata & pelindung
Kaos & Kemeja
Sarung tangan
Tips hari ini
Atas
BGM PRO
Roda -BGM Pro Superstrong tubeless 2.10-10 inci aluminium- Vespa V50, 50N, Special, PV, ET3, PK50-125 (S/XL/XL2), PX, T5, Sprint, Rally, GT/GTR, LML Star, Deluxe, Stella - matt hitam
89,00 €*
Vespa Modern
Mesin
Mulai dari Mesin
Berkendara
Gearbox
Karburator
Knalpot
Kopling
Manifold & diafragma intake
Motor
Motor & perumahan
Pemula
Pendinginan
Pengapian
Poros engkol
Saringan udara
Segel
Sekrup & bagian kecil
Set revisi
Silinder
Sistem injeksi
Sistem kelistrikan
Mulai dari Sistem kelistrikan
Baterai
Busi
Colokkan
Instrumen
Kabel
Motor starter
Pencahayaan
Pengapian & alternator
Regulator, penyearah
Sakelar
Sekrup & bagian kecil
Sumber cahaya
Bingkai & bagian tambahan
Mulai dari Bingkai & bagian tambahan
Bagian panel
Bantalan kepala kemudi
Dudukan utama & samping
Garpu
Huruf
Jok
Peredam kejut
Sekrup & bagian kecil
Sistem bahan bakar
Setang & alat kelengkapan
Mulai dari Setang & alat kelengkapan
Bagian setang & fairing
Cermin
Gagang pemindah gas
Instrumen
Menangani
Rem & kopling
Sakelar
Sekrup & bagian kecil
Kabel bowden
Mulai dari Kabel bowden
Elemen kontrol
Kabel speedometer
Penarikan & pemasangan kabel
Penggerak Tacho
Puting penjepit & sekrup penyetel
Saluran rem
Roda
Mulai dari Roda
Ban
Katup & bagian kecil
Pelek
Rem
Roda
Selang
Layanan
Mulai dari Layanan
Alat
Filter
Minyak
Pembersih
Sabuk-V
Set
Minyak & Kimia
Mulai dari Minyak & Kimia
Bahan pengoperasian
Kepadatan
Minyak
Pelumas & Oli
Perekat
Perlengkapan bengkel
Pernis & Warna
Produk perawatan & pembersih
Aksesori
Mulai dari Aksesori
Aksesoris Khusus
Anti-Pencurian
Bagasi
Barang dagangan
Bilah kecelakaan
Pemegang Ponsel & Aksesoris
Peralatan Bengkel
Perisai angin
Sastra: Sastra
Tas
TopCase
Helm & Pakaian
Mulai dari Helm & Pakaian
Aksesori
Helm
Jaket & celana panjang
Kacamata & pelindung
Kaos & Kemeja
Sarung Tangan
Tips hari ini
Malossi
Variator -MALOSSI- Multivar 2000 - Vespa GTS HPE 310, Piaggio MP3 HPE 310, Royal Alloy GP 350, TG 350
135,00 €*
Moped Klassik
Mesin
Mulai dari Mesin
Berkendara
Gearbox
Karburator
Knalpot
Kopling
Manifold & diafragma intake
Motor & perumahan
Pemula
Pendinginan
Pengapian
Poros engkol
Saringan udara
Segel
Sekrup & bagian kecil
Set revisi
Silinder
Sistem kelistrikan
Mulai dari Sistem kelistrikan
Baterai
Busi
Colokkan
Instrumen
Kabel
Pencahayaan
Pengapian & alternator
Regulator, penyearah
Sakelar
Sekrup & bagian kecil
Sumber cahaya
Rangka
Mulai dari Rangka
Bagian panel
Bangku
Bantalan kepala kemudi
Dudukan utama & samping
Garpu
Huruf
Peredam kejut
Sekrup & bagian kecil
Sistem bahan bakar
Setang & alat kelengkapan
Mulai dari Setang & alat kelengkapan
Bagian setang & fairing
Cermin
Gagang pemindah gas
Instrumen
Menangani
Rem & kopling
Sakelar
Sekrup & bagian kecil
Kabel bowden
Mulai dari Kabel bowden
Elemen kontrol
Kabel speedometer
Penarikan & pemasangan kabel
Penggerak Tacho
Puting penjepit & sekrup penyetel
Roda
Mulai dari Roda
Ban
Katup & bagian kecil
Pelek
Rem
Roda
Selang
Layanan
Mulai dari Layanan
Alat
Filter
Minyak
Minyak & Kimia
Mulai dari Minyak & Kimia
Bahan pengoperasian
Minyak
Pelumas & Oli
Perekat
Perlengkapan bengkel
Pernis & Warna
Produk perawatan & pembersih
Sealant
Aksesori
Mulai dari Aksesori
Aksesori khusus
Barang dagangan
Literatur
Pembawa bagasi
Peralatan bengkel
Perlindungan dari pencurian
Tas
Helm & Pakaian
Mulai dari Helm & Pakaian
Aksesori
Helm
Kaos & Kemeja
Sarung tangan
Tips hari ini
Schmitt
Kit silinder Schmitt Sportfreund Vertex Edition 50cc untuk Simson S51 KR512 SR50
265,00 €*
Lambretta
Mesin
Mulai dari Mesin
Berkendara
Gearbox
Karburator
Kickstarter
Knalpot
Kopling
Manifold & diafragma intake
Motor & perumahan
Pendinginan
Pengapian
Poros engkol
Saringan udara
Segel
Sekrup & bagian kecil
Set revisi
Silinder
Sistem kelistrikan
Mulai dari Sistem kelistrikan
Baterai
Busi
Colokkan
Instrumen
Memanfaatkan kabel
Pencahayaan
Pengapian & alternator
Regulator & penyearah
Sakelar
Sekrup & bagian kecil
Sumber cahaya
Bingkai & bagian tambahan
Mulai dari Bingkai & bagian tambahan
Bagian panel
Bangku
Bantalan kepala kemudi
Berdiri
Garpu
Huruf
Peredam kejut
Sekrup & bagian kecil
Sistem bahan bakar
Setang & alat kelengkapan
Mulai dari Setang & alat kelengkapan
Bagian setang & fairing
Cermin
Gagang pemindah gas
Instrumen
Menangani
Rem & kopling
Sakelar
Sekrup & bagian kecil
Kabel bowden
Mulai dari Kabel bowden
Elemen kontrol
Kabel speedometer
Penarikan & pemasangan kabel
Penggerak Tacho
Puting penjepit & sekrup penyetel
Saluran rem
Roda
Mulai dari Roda
Ban
Katup & bagian kecil
Pelek
Rem
Roda
Selang
Layanan
Mulai dari Layanan
Alat
Minyak
Pembersih
Set
Minyak & Kimia
Mulai dari Minyak & Kimia
Bahan pengoperasian
Gemuk & Pelumas
Minyak
Perekat
Perlengkapan bengkel
Pernis & Warna
Produk perawatan & pembersih
Sealant
Aksesori
Mulai dari Aksesori
Aksesori khusus
Barang dagangan
Bilah kecelakaan
Literatur
Pembawa bagasi
Peralatan bengkel
Perisai angin
Perlindungan dari pencurian
Tas
Tempat & aksesori ponsel
Helm & Pakaian
Mulai dari Helm & Pakaian
Aksesori
Helm
Jaket & celana panjang
Kaos & Kemeja
Sarung tangan
Tips hari ini
BGM PRO
Knalpot -BGM PRO MZ30 Franspeed oleh Andy Francis Skuter- Lambretta Seri 3 - tanpa peredam suara - hitam - LI 125, LI 150, LiS 125, LiS 150, TV 175, SX, TV, GT, GP 125, 150, 200
439,00 €*
Scooter 50-850ccm
Mesin
Mulai dari Mesin
Ansaugpipa & Membran
Filter Udara
Karburator
Karet
Knalpot
Kopling
Kruk As
Mesin
Mesin Motor
Pending
Penggerak
Penyalaan
Revisi Set
Sekrup & Bagian Kecil
Silinder
Sistem Injeksi
Starter Kickstarter
Transmisi
Sistem kelistrikan
Mulai dari Sistem kelistrikan
Baterai
Busik-busik
Instrumenta
Kabel
Lampu
Penerangan
Regulator, Rectifier
Saklar
Sekrup & Bagian Kecil
Sistem Pengapian & Dinamo
Soket
Starter
Bingkai & bagian tambahan
Mulai dari Bingkai & bagian tambahan
Bagian panel
Bangku
Bantalan kepala kemudi
Dudukan utama & samping
Garpu
Huruf
Peredam kejut
Sekrup & bagian kecil
Sistem bahan bakar
Setang & alat kelengkapan
Mulai dari Setang & alat kelengkapan
Bagian setang & fairing
Cermin
Gagang pemindah gas
Instrumen
Menangani
Rem & kopling
Sakelar
Sekrup & bagian kecil
Kabel bowden
Mulai dari Kabel bowden
Elemen kontrol
Kabel speedometer
Penarikan & pemasangan kabel
Penggerak Tacho
Puting penjepit & sekrup penyetel
Rem Cakram
Roda
Mulai dari Roda
Ban
Katup & bagian kecil
Pelek
Rem
Roda
Selang
Layanan
Mulai dari Layanan
Alat
Filter
Minyak
Pembersih
Sabuk V
Set
Minyak & Kimia
Mulai dari Minyak & Kimia
Bahan Bakar
Gemuk & Pelumas
Oli
Perekat
Perlengkapan bengkel
Pernis & Warna
Produk perawatan & pembersih
Sealant
Aksesori
Mulai dari Aksesori
Aksesori khusus
Barang dagangan
Drosselkatup & Pembatas Putaran
Literatur
Pembawa bagasi
Pemegang Ponsel & Aksesoris
Peralatan bengkel
Perisai angin
Perlindungan dari pencurian
Sturzbügel
Tas
TopCase
Helm & Pakaian
Mulai dari Helm & Pakaian
Aksesori
Helm
Jaket & Celana
Kacamata & Visor
Kaos & Kemeja
Sarung Tangan
Tips hari ini
Ferodo
Kopling -FERODO- Piaggio 125-150 ccm 2-tak - Gilera Runner 125 (ZAPM07000), Piaggio Hexagon 125 (EXS1T, ZAPM05000), Piaggio Hexagon 150 (EXV1T), Piaggio Skipper 125 (ZAPM12000), Piaggio Skipper 150 (ZAPM13000), Piaggio SKR 125 (CSM1T), Piaggio SKR 150
125,00 €*
Vespa 125/150/180/200 Rally/Sprint 57-
Vespa 150 Sprint Veloce (VLB1T)
Kurbelwelle, Kupplung
Mesin
Sistem Elektrik
Rangka
Setang
Bowden Kabel
Roda
Servis
Oli & Kimia
Aksesoris
Helm & Pakaian
Vespa 150 Sprint Veloce (VLB1T)
Tampilan yang meledak
Aksesoris
Bremskabel, Gaskabel, Kupplungskabel
Bremskabel, Girboks Kabel, Speedometer As
Garpu, Roda Depan
Jok, Tangki
Kabelbundel
Karburator
Kopling
Kurbelporos, Kopling
Lampu Depan, Lampu Belakang
Penyalaan
Primer, Penggerak Awal
Rangka
Roda
Rumah Mesin dan Silinder
Sepeda Motor, Knalpot
Setang
Shockbreaker
Transmisi, Roda Belakang
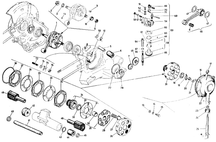
Kurbelporos, Kopling
Vespa 150 Sprint Veloce (VLB1T)
Nama komponen
Buchse
(3)
Dichtung
(3)
Dichtung Vergaser
(1)
Entlüfter
(1)
Fächerscheibe
(1)
Feder
(2)
Federring
(2)
Federteller
(1)
Grundplatte
(1)
Gummiteil
(3)
Halbmond-Keil
(2)
Hebel
(1)
Kupplung
(2)
Kupplungsandruckplatte
(1)
Kupplungsarm
(2)
Kupplungsdeckel
(1)
Kupplungskorb
(1)
Kupplungsscheibe
(2)
Kupplungstrennpilz
(1)
Kurbelwelle
(1)
Mutter
(4)
Niete
(1)
Pleuellager
(1)
Rohr
(1)
Schraube
(2)
Sicherungsring
(5)
Silentgummi
(1)
Splint
(1)
Unterlegscheibe
(3)
Zahnrad
(1)
Bahan
Karet
(1)
Baja
(1)
Selesai
matt
(1)
Warna
orange
(1)
Posisi pemasangan
kembali
(1)
Stroke
57mm (standar)
(1)
Panjang batang penghubung
105mm (standar)
(1)
Jenis konstruksi
Katup putar standar
(1)
Diameter pin piston
15mm
(1)
Produsen
BGM ORIGINAL
(1)
BGM PRO
(2)
CIF
(1)
Dellorto
(1)
GR Gears
(3)
LML
(2)
Malossi
(1)
MEC
(1)
Normfest
(5)
OEM-Qualität
(7)
Piaggio
(23)
Surflex
(2)
Tameni
(1)
Urutkan
Relevansi
Harga naik
Harga turun
Merek A-Z
Merek Z-A
Hal-hal baru
Tameni
3330038
Poros engkol -Standar TAMENI, katup putar, stroke = 57mm, batang penghubung = 105mm- Vespa VNB, VBA, VBB, T4, Super
Tanggal pengiriman
CIF
9020145
Kopling -CIF- tipe 6 pegas (Ø108mm, VNB4, VNB5, VNB6, GT125, GTR125, Super, TS125, VBB2T, GL125, GL150, Sprint125, Sprint 150, Super125, Super150) - 3 piringan - 22 gigi (tipe Sprint)
Piaggio
9020113
Penutup kopling -PIAGGIO- semua Vespa Largeframe, PX, T5 125cc, Cosa, Rally, Sprint, TS125, GT125, GTR125, Super, GL, VNA, VNB, VBA, VBB
GR Gears
3333769
Kopling -KUALITAS OEM tipe 6 pegas (Ø108mm, PX80, PX125, PX150) - 3 cakram - 21 gigi
Malossi
M7717765B
Keranjang kopling -MALOSSI Power Up Clutch Ø109.5mm pegas Vespa tipe 7 (Rally200, PX200, T5 125cc)
Piaggio
3330464
Pompa oli bengkok pipa di bak karburator -PIAGGIO- Vespa PX Lusso, 98, My, 2011, Cosa
OEM-Qualität
9020122
Pinion kopling -KUALITAS OEM, Vespa tipe 6 pegas (Ø108mm, VNB4, VNB5, VNB6, GT125, GTR125, Super, TS125, VBB2T, GL125, GL150, Sprint125, Sprint 150, Super125, Super150) - 22 gigi (tinggi total 34.0mm, tinggi pinion 12mm)
Tanggal pengiriman
Piaggio
1047944
Mesin bushing blok senyap -PIAGGIO- Vespa PX80, PX125, PX150, Sprint150 (VLB1T), TS125 (VNL3T), GT125 (VNL2T), GTR125 (VNL2T), Super, GL150 (VLA1T), VNA, VNB, VBA, VBB
LML
7674442
Lengan kopling -LML- Vespa Rangka Besar, PX, T5 125cc, Cosa, Rally, Sprint, TS125, GT125, GTR125, Super, GL, VNA, VNB, VBA, VBB
GR Gears
3333767
Pelat dasar kopling -KUALITAS OEM, pegas Vespa tipe 6 (PX80, PX125, PX150)
BGM PRO
BGM7041
Peredam kejut set Silentblock / mesin -BGM PRO Antislip oranye (Buatan Jerman) Ø = 9mm x 48mm- Vespa PX (1983), Rally, TS, Sprint, Sprint Veloce, GT, GTR, Super, GL, V50, PV, ET3
Piaggio
3330631
Tuas pelepas kopling -PIAGGIO- Vespa PX, Sprint150 (VLB1T), Rally180 (VSD1T), Rally200 (VSE1T), GT125 (VNL2T), GTR125 (VNL2T)
Piaggio
3331121
Sekrup pembuangan penutup kopling -PIAGGIO- Vespa semua Vespa
GR Gears
3333751
Kampas kopling -KUALITAS OEM tipe 6 pegas, 3 cakram - Vespa PX80, PX125, PX150, Sprint, TS, Super, GT, GTR, VBA, VBB, VNB, VNA2T (081469-), Kera 150c
Tanggal pengiriman
BGM ORIGINAL
BGM87804
Cincin seeger dengan lug -BGM ASLI- Ø = 62mm - digunakan untuk bantalan poros engkol 613912 Sisi kopling - Vespa PX (-1983), Rally, SS180, GS160, GT125, GTR125, TS125, VL150, VD150, VGLA, VGLB
Piaggio
159589
Karet senyap mesin crossmember kanan -PIAGGIO- Vespa PX80, PX125, PX150
Piaggio
7673179
Pemisah kopling -PIAGGIO- Vespa PX, T5 125cc, Cosa2, Rally180 (VSD1T), Rally200 (VSE1T), Sprint150 (VLB1T), TS125 (VNL3T), GT125 (VNL2T), GTR125 (VNL2T), GL150 (VLA1T), Super, GS160 / GS4 (VSB1T), SS180 (VSC1T), VNA, VNB, VBA, VBB
Piaggio
9020043
Bushing kopling -PIAGGIO- Vespa PX, T5 125cc, Cosa, Rally, TS, Sprint, GT, GTR, SS180, GS160 / GS4, GL, Super, VNA, VNB, VBA, VBB
Dellorto
5450022
Gasket set karburator -DELLORTO- SHBC 19 Vespa PK
Piaggio
1059588
Karet senyap mesin crossmember kiri -VESPA- PX80, PX125, PX150, Sprint150 (VLB1T), TS125 (VNL3T), GT125 (VNL2T), GTR125 (VNL2T), Super, GL150 (VLA1T), VNA, VNB, VBA, VBB
1
2
3
×
×