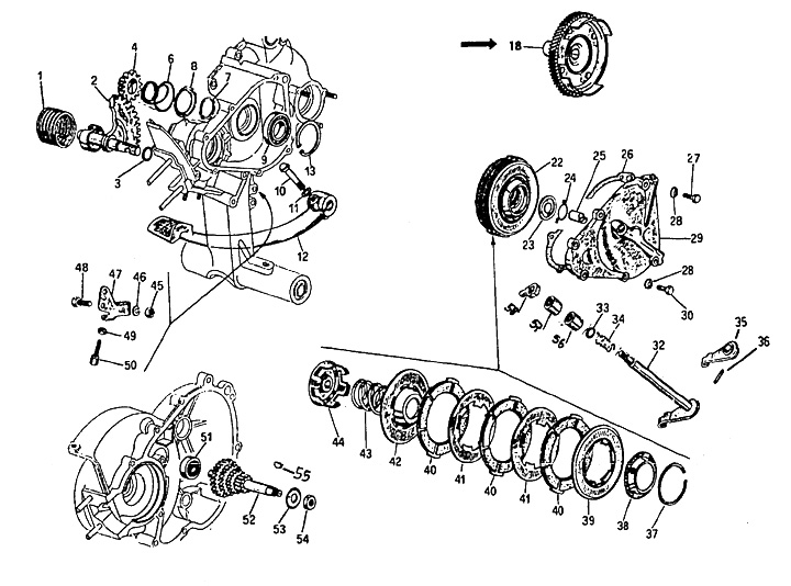
Embrague - pedal arranque
Vespa 50 Special (V5A2T)
Ordenar