très bon
4.7 / 5
Port gratuit à partir de 99€ (DE)
Grande satisfaction des clients
Contact
|
Protection des données
|
CGV & Infos clients
|
Mentions légales
Blog
DE | €
Mon garage
Mot de passe oublié ?
connexion
Créer un nouveau compte client
0
Tous les
Moteur
Tous éteints Moteur
Allumage
Aspiration & membrane
Boîtes de vitesses
Carburateur
Cylindre
Démarreur
Embrayage
Entraînement
Filtre à air
Joints d'étanchéité
Moteur & boîtier
Moteurs
Pot d'échappement
Refroidissement
Révision
Système d'injection
Vilebrequin
Vis & petites pièces
Installation électrique
Tous éteints Installation électrique
Allumage & alternateur
Bougies d'allumage
Câble
Démarreur
Éclairage
Fiche
Instruments
Interrupteur
Piles
Régulateur, redresseur
Sources lumineuses
Vis & petites pièces
Cadre & pièces rapportées
Tous éteints Cadre & pièces rapportées
Amortisseur de chocs
Béquille principale & latérale
Ecritures
Fourches
Palier de direction
Pièces d'habillage
Selles
Système de carburant
Vis & petites pièces
Guidons & armatures
Tous éteints Guidons & armatures
Frein & embrayage
Guidon & pièces d'habillage
Instruments
Interrupteur
Miroir
Poignées
Poignées de commande de gaz
Vis & petites pièces
Câbles Bowden
Tous éteints Câbles Bowden
Arbres de tachymètre
Conduites de frein
Éléments de commande
Entraînements tachymétriques
Mamelons de serrage & vis de réglage
Palans à câble & kits
Roues
Tous éteints Roues
Freins
Jantes
Pneus
Roues
Tuyaux
Vannes & petites pièces
Service
Tous éteints Service
Courroies
Filtre
Huiles
Outils
Sets
Pétrole & chimie
Tous éteints Pétrole & chimie
Adhésifs
Fournitures d'atelier
Graisses & lubrifiants
Huiles
Produit d'étanchéité
Produits d'entretien & nettoyants
Substances de service
Vernis & peintures
Accessoires
Tous éteints Accessoires
Accessoires spéciaux
Crash bars
Équipement d'atelier
Kits d'étranglement & limiteurs de vitesse
Manuels et plus
Marchandise
Pare-vent
Porte bagages
Protection contre le vol
Sacs
Supports de téléphone portable & accessoires
Top case
Casques & Vêtements
Tous éteints Casques & Vêtements
Accessoires
Casques
Gants
Lunettes & visières
T-Shirt & Hemden
Vestes & pantalons
Bons d'achat
Astuce du jour
%
BGM PRO
Outil de démontage de l'arbre de roue de la roue avant -BGM PRO- Vespa 125 V1-V15, V30-33, VM1-2, VN1, VN2, VNA, VNB , 150 VL, VB, VBA, VBB, VLA1, VGL1, VGLA1, VGLB1, Super, GL, T4, Sprint, GT, GTR, Rally, TS, Motovespa (1959-1964) 125N, 125S, 150S
21,91 €*
24,90 €*
Vespa Classique
Moteur
Tous éteints Moteur
Allumage
Aspiration & membrane
Boîte de vitesses
Carburateur
Cylindre
Démarreur
Embrayage
Entraînement
Filtre à air
Joints d'étanchéité
Kit de révision
Moteur & boîtier
Moteurs
Pot d'échappement
Refroidissement
Vilebrequin
Vis & petites pièces
Installation électrique
Tous éteints Installation électrique
Allumage & alternateur
Bougies d'allumage
Câble
Démarreur
Éclairage
Fiche
Instruments
Interrupteur
Piles
Régulateur, redresseur
Sources lumineuses
Vis & petites pièces
Châssis
Tous éteints Châssis
Amortisseur de chocs
Bancs
Béquille principale & latérale
Ecritures
Fourchettes
Palier de direction
Pièces châssis
Système de carburant
Vis & petites pièces
Guidon
Tous éteints Guidon
Frein & embrayage
Guidon & pièces d'habillage
Instruments
Interrupteur
Miroir
Poignées
Poignées de commande de gaz
Vis & petites pièces
Câbles Bowden
Tous éteints Câbles Bowden
Arbres de tachymètre
Conduites de frein
Éléments de commande
Entraînements tachymétriques
Mamelons de serrage & vis de réglage
Palans à câble & kits
Roues
Tous éteints Roues
Freins
Jantes
Pneus
Roues
Tuyaux
Vannes & petites pièces
Service
Tous éteints Service
Filtre
Huiles
Outils
Sets
Huile et chimie
Tous éteints Huile et chimie
Adhésifs
Fournitures d'atelier
Graisses & lubrifiants
Huiles
Produit d'étanchéité
Produits d'entretien & nettoyants
Substances de service
Vernis & peintures
Accessoires
Tous éteints Accessoires
Accessoires spéciaux
Arceau de sécurité
Equipement d'atelier
Littérature
Marchandise
Pare-vent
Porte-bagages
Sacs
Supports de téléphone portable & accessoires
TopCase
Casques & Vêtements
Tous éteints Casques & Vêtements
Accessoires
Casques
Gants
Lunettes & visières
T-shirt & chemises
Vestes & pantalons
Astuce du jour
DEXTER RACING
Echappement -DEXTER RACING- Classic Box 3.0 - Ø28 mm- Vespa Smallframe V50, 50N/L/R, 50 Special
269,00 €*
Vespa Moderne
Moteur
Tous éteints Moteur
Allumage
Aspiration & membrane
Boîte de vitesses
Carburateur
Cylindre
Démarreur
Embrayage
Entraînement
Filtre à air
Joints d'étanchéité
Kit de révision
Moteur & boîtier
Moteurs
Pot d'échappement
Refroidissement
Système d'injection
Vilebrequin
Vis & petites pièces
Installation électrique
Tous éteints Installation électrique
Allumage & alternateur
Bougies d'allumage
Câble
Démarreur
Éclairage
Fiche
Instruments
Interrupteur
Piles
Régulateur, redresseur
Sources lumineuses
Vis & petites pièces
Cadre & pièces rapportées
Tous éteints Cadre & pièces rapportées
Amortisseur de chocs
Bancs
Béquille principale & latérale
Ecritures
Fourchettes
Palier de direction
Pièces d'habillage
Système de carburant
Vis & petites pièces
Guidons & armatures
Tous éteints Guidons & armatures
Frein & embrayage
Guidon & pièces d'habillage
Instruments
Interrupteur
Miroir
Poignées
Poignées de commande de gaz
Vis & petites pièces
Câbles Bowden
Tous éteints Câbles Bowden
Arbres de tachymètre
Conduites de frein
Éléments de commande
Entraînements tachymétriques
Mamelons de serrage & vis de réglage
Palans à câble & kits
Roues
Tous éteints Roues
Freins
Jantes
Pneus
Roues
Tuyaux
Vannes & petites pièces
Service
Tous éteints Service
Courroie trapézoïdale
Filtre
Huiles
Nettoyant
Outils
Sets
Pétrole & chimie
Tous éteints Pétrole & chimie
Adhésifs
Fournitures d'atelier
Graisses & lubrifiants
Huiles
Produit d'étanchéité
Produits d'entretien & nettoyants
Substances de service
Vernis & peintures
Accessoires
Tous éteints Accessoires
Accessoires spéciaux
Arceau de sécurité
Equipement d'atelier
Littérature
Marchandise
Pare-vent
Porte-bagages
Protection contre le vol
Sacs
Supports de téléphone portable & accessoires
TopCase
Casques & Vêtements
Tous éteints Casques & Vêtements
Accessoires
Casques
Gants
Lunettes & visières
T-shirt & chemises
Vestes & pantalons
Astuce du jour
BIG BOX
-BIGBOX- Casier à casque de plus grande capacité pour Vespa GTS / GTV 125-310 à partir de 2019
319,00 €*
Cyclomoteur Classique
Moteur
Tous éteints Moteur
Allumage
Aspiration & membrane
Boîte de vitesses
Carburateur
Cylindre
Démarreur
Embrayage
Entraînement
Filtre à air
Joints d'étanchéité
Kit de révision
Moteur & boîtier
Pot d'échappement
Refroidissement
Vilebrequin
Vis & petites pièces
Installation électrique
Tous éteints Installation électrique
Allumage & alternateur
Bougies d'allumage
Câble
Éclairage
Fiche
Instruments
Interrupteur
Piles
Régulateur, redresseur
Sources lumineuses
Vis & petites pièces
Cadre & pièces rapportées
Tous éteints Cadre & pièces rapportées
Amortisseur de chocs
Bancs
Béquille principale & latérale
Ecritures
Fourchettes
Palier de direction
Pièces d'habillage
Système de carburant
Vis & petites pièces
Guidons & armatures
Tous éteints Guidons & armatures
Frein & embrayage
Guidon & pièces d'habillage
Instruments
Interrupteur
Miroir
Poignées
Poignées de commande de gaz
Vis & petites pièces
Câbles Bowden
Tous éteints Câbles Bowden
Arbres de tachymètre
Éléments de commande
Entraînements tachymétriques
Mamelons de serrage & vis de réglage
Palans à câble & kits
Roues
Tous éteints Roues
Freins
Jantes
Pneus
Roues
Tuyaux
Vannes & petites pièces
Service
Tous éteints Service
Filtre
Huiles
Outils
Pétrole & chimie
Tous éteints Pétrole & chimie
Adhésifs
Fournitures d'atelier
Graisses & lubrifiants
Huiles
Produits d'entretien & nettoyants
Produits d'étanchéité
Substances de service
Vernis & peintures
Accessoires
Tous éteints Accessoires
Accessoires spéciaux
Equipement d'atelier
Littérature
Marchandise
Porte-bagages
Protection contre le vol
Sacs
Casques & Vêtements
Tous éteints Casques & Vêtements
Accessoires
Casques
Gants
T-shirt & chemises
Astuce du jour
MC Proparts
Jeu de bagues -MC Fourche Bagues - bras oscillants Fourche Ciao, pour la révision et la stabilisation de la roue avant.
17,90 €*
Lambretta
Moteur
Tous éteints Moteur
Allumage
Aspiration & membrane
Boîte de vitesses
Carburateur
Cylindre
Embrayage
Entraînement
Filtre à air
Joints d'étanchéité
Kickstarter
Moteur & boîtier
Pot d'échappement
Refroidissement
Sets de révision
Vilebrequin
Vis & petites pièces
Installation électrique
Tous éteints Installation électrique
Allumage & alternateur
Bougies d'allumage
Éclairage
Faisceaux de câbles
Fiche
Instruments
Interrupteur
Piles
Régulateurs & redresseurs
Sources lumineuses
Vis & petites pièces
Cadre & pièces rapportées
Tous éteints Cadre & pièces rapportées
Amortisseur de chocs
Bancs
Béquille principale
Ecritures
Fourchettes
Palier de direction
Pièces d'habillage
Système de carburant
Vis & petites pièces
Guidons & armatures
Tous éteints Guidons & armatures
Frein & embrayage
Guidon & pièces d'habillage
Instruments
Interrupteur
Miroir
Poignées
Poignées de commande de gaz
Vis & petites pièces
Câbles Bowden
Tous éteints Câbles Bowden
Arbres de tachymètre
Conduites de frein
Éléments de commande
Entraînements tachymétriques
Mamelons de serrage & vis de réglage
Palans à câble & kits
Roues
Tous éteints Roues
Freins
Jantes
Pneus
Roues
Tuyaux
Vannes & petites pièces
Service
Tous éteints Service
Huiles
Nettoyant
Outils
Sets
Pétrole & chimie
Tous éteints Pétrole & chimie
Adhésifs
Fournitures d'atelier
Graisses & lubrifiants
Huiles
Produit d'étanchéité
Produits d'entretien & nettoyants
Substances de service
Vernis & peintures
Accessoires
Tous éteints Accessoires
Accessoires spéciaux
Arceau de sécurité
Equipement d'atelier
Littérature
Marchandise
Pare-vent
Porte-bagages
Protection contre le vol
Sacs
Supports de téléphone portable & accessoires
Casques & Vêtements
Tous éteints Casques & Vêtements
Accessoires
Casques
Gants
T-shirt & chemises
Vestes & pantalons
Astuce du jour
BGM PRO
Presse démonte embrayage -BGM PRO- Lambretta LI, LIS, SX, TV (série 2, série 3), DL, GP, J, Lui
46,90 €*
Scooter 50-850cc
Moteur
Tous éteints Moteur
Allumage
Boîtes de vitesses
Carburateurs
Carters moteur
Cylindres
Démarreur
Embrayage
Filtres à air
Joints
Moteurs
Pot d'échappement
Raccord d'aspiration & valve à lamelles
Refroidissement
Révision
Système d'injection
Transmission
Vilebrequin
Vis & petites pièces
Installation électrique
Tous éteints Installation électrique
Allumage & alternateur
Ampoules
Batteries
Bougies
Câbles
démarreur
éclairage
Instruments d'affichage
Interrupteurs
prises et fiches
Régulateur, redresseur
Vis & petites pièces
Cadre & pièces rapportées
Tous éteints Cadre & pièces rapportées
Amortisseur de chocs
Bancs
Béquille principale & latérale
Ecritures
Fourchettes
Palier de direction
Pièces d'habillage
Système de carburant
Vis & petites pièces
Guidons & armatures
Tous éteints Guidons & armatures
Frein & embrayage
Guidon & pièces d'habillage
Instruments
Interrupteur
Miroir
Poignées
Poignées de commande de gaz
Vis & petites pièces
Câbles Bowden
Tous éteints Câbles Bowden
Arbres de tachymètre
Conduites de frein
Éléments de commande
Entraînements tachymétriques
Mamelons de serrage & vis de réglage
Palans à câble & kits
Roues
Tous éteints Roues
Freins
Jantes
Pneus
Roues
Tuyaux
Vannes & petites pièces
Service
Tous éteints Service
Courroies
Filtre
Huiles
Nettoyant
Outils
Sets
Pétrole & chimie
Tous éteints Pétrole & chimie
Adhésifs
Consommables
Fournitures d'atelier
Graisses & lubrifiants
Huiles
Produit d'étanchéité
Produits d'entretien & nettoyants
Vernis & peintures
Accessoires
Tous éteints Accessoires
Accessoires spéciaux
Crash bars
Equipement d'atelier
Kits d'étranglement & limiteurs de vitesse
Littérature
Marchandise
Pare-vent
Porte-bagages
Protection contre le vol
Sacs
Supports de téléphone portable & accessoires
TopCase
Casques & Vêtements
Tous éteints Casques & Vêtements
Accessoires
Casques
Gants
Lunettes & visières
T-shirt & chemises
Vestes & pantalons
Astuce du jour
Pro Brake
Jeu de leviers de frein -PRO BRAKE- réglable - Royal Alloy GP 125-300, TG 125-300 - or brillant
99,00 €*
Vespa 125/150/180/200 Rally/Sprint 57-
Vespa 200 Rally (VSE1T, Femsa)
Kurbelwelle, Kupplung
Moteur
Installation électrique
Châssis
Guidon
Câbles Bowden
Roues
Service
Huile et chimie
Accessoires
Casques & Vêtements
Vespa 200 Rally (VSE1T, Femsa)
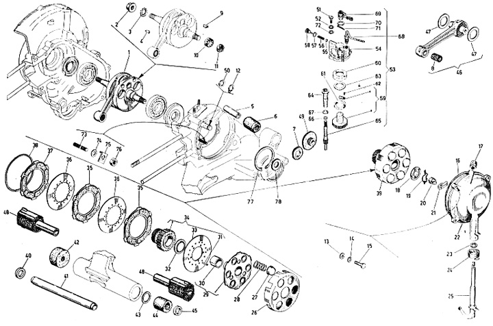
Eclatés
Accessoires
Allumage
Amortisseur
Baguettes de plancher - pot d'échappement
Boîte de vitesses - roue arrière
Câble de frein arrière - câble de vitesse - câble de compteur
Câble de frein avant - câble de gaz - câble d'embrayage
Carburateur
Carter moteur - cylindre
Châssis
Châssis
Faisceau
Fourche - roue avant
Guidon
Optique de phare - feu arrière
Pignon élastique - kick
Roues
Sélécteur de vitesse
Selle - réservoir d'essence
Vilebrequin - embrayage
Vilebrequin - embrayage
Vespa 200 Rally (VSE1T, Femsa)
Nom du composant
Douille
(2)
Joint d'étanchéité
(3)
Joint de carburateur
(1)
Purgeur d'air
(1)
Rondelle éventail
(1)
Ressort
(2)
Rondelle élastique
(2)
Rondelle de ressort
(1)
Plaque de base
(1)
Pièce en caoutchouc
(2)
Clavette
(2)
Levier
(1)
Embrayage
(1)
Plaque de pression de l'embrayage
(1)
Bras d'accouplement
(2)
Couvercle d'embrayage
(1)
Corbeille d'attelage
(1)
Disque d'embrayage
(2)
Poussoir d’embrayage
(1)
Vilebrequin
(1)
Ecrou
(4)
Rivet
(1)
Tube
(1)
Vis
(2)
Bague d'arrêt
(2)
Silent caoutchouc
(1)
Goupille fendue
(1)
Rondelle
(3)
Roue dentée
(1)
Matériau
Caoutchouc
(1)
Acier
(1)
Finition
matt
(1)
Couleur
orange
(1)
Position de montage
à l'arrière
(1)
Course
57mm (standard)
(1)
Longueur de bielle
110mm (standard)
(1)
Type de construction
Vanne rotative Temps de commande de course
(1)
Diamètre de l'axe de piston
16mm
(1)
Fabricant
BGM ORIGINAL
(1)
BGM PRO
(3)
Dellorto
(1)
Fa Italia
(1)
LML
(1)
MEC
(1)
Newfren
(1)
Normfest
(5)
OEM-Qualität
(8)
Piaggio
(17)
Surflex
(2)
Tameni
(1)
Trier
Pertinence
Prix par ordre croissant
Prix décroissant
Marque de A à Z
Marque Z-A
Nouveautés
Tameni
3331843
Vilebrequin -TAMENI Racing (valve rotative) course de 57mm- Vespa Rally200 Femsatronic
Date de livraison
Piaggio
9020113
Carter d’embrayage -PIAGGIO- tous les modèles Vespa Largeframe, PX, T5 125cc, Cosa, Rally, Sprint, TS125, GT125, GTR125, Super, GL, VNA, VNB, VBA, VBB
OEM-Qualität
9020170
Silentblocs moteur -QUALITÉ OEM- Vespa Largeframe 1962-1978 - Rally180 (VSD1T), Rally200 (VSE1T -40653), GS160 / GS4 (VSB1T), SS180 (VSC1T)
Date de livraison
OEM-Qualität
9020045
Plateau ressorts d’embrayage -QUALITÉ OEM- Vespa type 7 ressorts (Rally200, PX200, T5 125cc)
Piaggio
3330464
Coude de tuyau pompe à huile -PIAGGIO- Vespa PX Lusso, 98, My, 2011, Cosa
OEM-Qualität
9020073
Engrenage primaire -QUALITÉ OEM, Vespa type 7 ressorts pour pignon élastique d‘origine de 65 dents (dents hélicoïdales) - 23 dents (original dans les modèles Rally200, PX200)
LML
7674442
Commande d’embrayage -LML- Vespa Largeframe, PX, T5 125cc, Cosa, Rally, Sprint, TS125, GT125, GTR125, Super, GL, VNA, VNB, VBA, VBB
BGM PRO
BGM6031P
Rondelle sur vilebrequin sous embrayage (34,5x17x3,3mm) -BGM PRO- utilisé pour les vilebrequins Pinasco Vespa Largeframe avec embout denté
Date de livraison
Piaggio
3330631
Levier interne embrayage -PIAGGIO- Vespa PX, Sprint150 (VLB1T), Rally180 (VSD1T), Rally200 (VSE1T), GT125 (VNL2T), GTR125 (VNL2T)
BGM PRO
BGM7041
Silentbloc set amortisseur/moteur -BGM PRO Antislip orange (Made in Germany) Ø=9mm x 48mm- Vespa PX (1983), Rally, TS, Sprint, Sprint Veloce, GT, GTR, Super, GL, V50, PV, ET3
Piaggio
3331121
Vis de purge pour carter d’embrayage -PIAGGIO- tous les modèles de Vespa
Newfren
1320018
Kit disques d’embrayage garnis -VESPA type 7 ressorts (Rally200, PX200, T5 125cc)- 3 disques
Fa Italia
9020050
Cloche d’embrayage -FA ITALIA type 7 ressorts, Ø ext.=115mm, Ø int.=108- Vespa Rally 180 (VSD1T0014741-), Rally 200 (VSE1T), PX 200 (VSX1T), T5 125cc (VNX5T), Cosa1 125 (VNR1T), Cosa1 150 (VLR1T), Cosa1 200 (VSR1T)
BGM ORIGINAL
BGM87804
Circlips interne avec oreille -BGM ORIGINAL- Ø=62mm - pour roulement 613912 vilebrequin côté embrayage - Vespa PX (-1983), Rally, SS180, GS160, GT125, GTR125, TS125, VL150, VD150, VGLA, VGLB
Piaggio
7673179
Poussoir d’embrayage -PIAGGIO- Vespa PX, T5 125cc, Cosa2, Rally180 (VSD1T), Rally200 (VSE1T), Sprint150 (VLB1T), TS125 (VNL3T), GT125 (VNL2T), GTR125 (VNL2T), GL150 (VLA1T), Super, GS160 / GS4 (VSB1T), SS180 (VSC1T), VNA, VNB, VBA, VBB
Piaggio
9020043
Bague embrayage -PIAGGIO- Vespa PX, T5 125cc, Cosa, Rally, TS, Sprint, GT, GTR, SS180, GS160 / GS4, GL, Super, VNA, VNB, VBA, VBB
Dellorto
5450022
Jeu joints pour carburateur -DELLORTO- SHBC 19 Vespa PK
Piaggio
7675020
Clavette -PIAGGIO DIN 6888- 4x6,5mm (pour vilebrequin côté embrayage Vespa PX, Rally180 (VSD1T), Rally200 (VSE1T), Sprint, côté allumage Lambretta LI, LIS, SX, TV, DL, GP, Piaggio 250-300cc (4 temps))
%
OEM-Qualität
9011025
Ecrou volant d'allumage M12 x 1,50 collar Ø=33mm h=4,5mm WS=17-QUALITÉ OEM- Vespa GS160 / GS4 (VSB1T), SS180 (VSC1T), Rally180 (VSD1T), Rally200 (VSE1T, Femsatronic)
OEM-Qualität
9000024
Butée d’embrayage -QUALITÉ OEM- Vespa PX200, T5 125cc, Cosa2, Rally180 (VSD1T), Rally200 (VSE1T), GS150 / GS3 (VS1T, 6223-), GS160 / GS4 (VSB1T), SS180 (VSC1T)
1
2
3
×
×